Рукоятка и бак Champion 251

Рукоятка и бак Champion 251

АртикулФотоНазваниеЦенаКупить
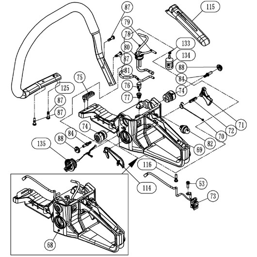
Позиция на схеме: 22Артикул: YD4500-26210B
Быстрый просмотр
Выключатель зажигания 251,256 см.040504012
Посмотреть аналог
Цена 49 р. Уведомить
Позиция на схеме: 68Артикул: YD5200-18299
Быстрый просмотр
Бак топливный 251,256 комплектЦена 1 729 р. В корзину
Позиция на схеме: 70Артикул: YD3800-24212
Быстрый просмотр
Пружина курка газа 125Т, 137, 142, 237, 241, 245, 251, 254, 256.55.250Цена 35 р. В корзину
Позиция на схеме: 71Артикул: 080206190204
Быстрый просмотр
Курок газа 251,256Цена 49 р. В корзину
Позиция на схеме: 73Артикул: 040504012
Быстрый просмотр
Выключатель зажигания - 040504012
Посмотреть аналог
Цена 29 р. В корзину
Позиция на схеме: 74Артикул: YD3800-27211
Быстрый просмотр
Амортизатор верхний левый/правый для бензопилы 251, 246, 256Цена 49 р. В корзину
Позиция на схеме: 75Артикул: YD4500-18301A
Быстрый просмотр
Буфер упорный 251,256 топливного бакаЦена 39 р. В корзину
Позиция на схеме: 76Артикул: YD3800-18010
Быстрый просмотр
Сапун топливного бака 125Т, 237, 241, 251, 256Цена 49 р. В корзину
Позиция на схеме: 78Артикул: YD38008-18101
Быстрый просмотр
Шланг топливный 237 241 246 251 256 с 25.12.19 (аналог см 01040010080)
Посмотреть аналог
Цена 79 р. Уведомить
Позиция на схеме: 79Артикул: YD3800-18432A
Быстрый просмотр
Шланг праймера 237, 241, 251, 256Цена 35 р. В корзину
Позиция на схеме: 80Артикул: YD3800-18104
Быстрый просмотр
Уплотнение топливных шлангов 237, 241, 251, 256Цена 39 р. В корзину
Позиция на схеме: 81Артикул: 043154240
Быстрый просмотр
Шланг топливный AG352Цена 65 р. Уведомить
Позиция на схеме: 82Артикул: 027351600
Быстрый просмотр
Праймер GB227, GBV237S, 55, 137, 138, 120T, 125T, 142, 237, 241, 250, 251, 256, T335, DR230, GP30, GBR333 см.1800023
Посмотреть аналог
Цена 115 р. В корзину
Позиция на схеме: 84Артикул: YD4500-27212
Быстрый просмотр
Болт крепления амортизатора 251,256Цена 115 р. В корзину
Позиция на схеме: 88Артикул: YD3800-27112
Быстрый просмотр
Заглушка амортизатора 237, 241 левого верхнего/ 251, 256Цена 33 р.
Позиция на схеме: 114Артикул: 080206190202
Быстрый просмотр
Предохранитель курка газа 251,256Цена 59 р. В корзину
Позиция на схеме: 115Артикул: YD5200-24411
Быстрый просмотр
Накладка задней рукоятки 251,256Цена 115 р. В корзину
Позиция на схеме: 125Артикул: YD520016-24510
Быстрый просмотр
Рукоятка трубчатая 251,256Цена 995 р. В корзину
Позиция на схеме: 134Артикул: YD4500-18103
Быстрый просмотр
Фильтр топливный 237, 241, 251, 256 замена на артикул YD4600-18103Цена 149 р. Уведомить
Позиция на схеме: 135Артикул: YD3800-18030
Быстрый просмотр
Пробка топливного бака 237, 241, 251, 256
Посмотреть аналог
Цена 99 р. В корзину
Позиция на схеме: 0Артикул: 040321001-POREX
Быстрый просмотр
Фильтр топливный 120 - 362 - 040321001-POREXЦена 59 р. В корзину
Позиция на схеме: 0Артикул: YD4600-18103
Быстрый просмотр
Фильтр топливный 125T, 237, 241, 246, 251, 256 с 2023 (порекс монолит) d4.8Цена 145 р. В корзину
Работаем с 2009 года
например, поршень 255
848 товаров в магазине

Колл-центр

ПН-ПТ 10:00 - 18:00
СБ-ВС Выходной


время работы: ПН-ПТ 10:00 - 18:00, СБ-ВС Выходной

Меню

Каталог

Добавьте в корзину

Товар добавлен в корзину!