Замечание: Undefined index: REDIRECT_URL в файле /var/www/champion-tools.ru/public_html/hostcmsfiles/lib/lib_156/lib_156.php (строка 244)

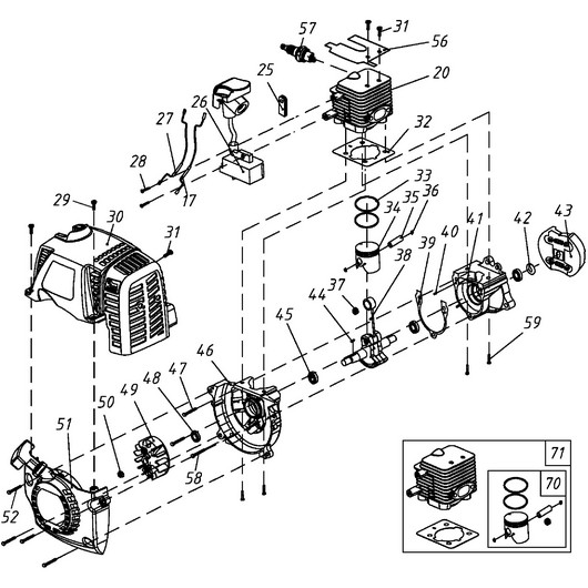
Цилиндр, картер, поршневая группа и стартер Champion DR230

Цилиндр, картер, поршневая группа и стартер Champion DR230

АртикулФотоНазваниеЦенаКупить
Позиция на схеме: 0Артикул: 2050160022
Быстрый просмотр
Сцепление DR230 (2020) замена на 1700029
Посмотреть аналог
Цена 189 р.
Позиция на схеме: 25Артикул: 03040050042
Быстрый просмотр
Шайба сцепления волнистая PS227Цена 9 р. В корзину
Позиция на схеме: 26Артикул: 02050030215
Быстрый просмотр
Магнето DR230Цена 2 075 р. В корзину
Позиция на схеме: 30Артикул: 70030030972
Быстрый просмотр
Крышка цилиндра DR230 (см. 70030030814)
Посмотреть аналог
Цена 869 р. Уведомить
Позиция на схеме: 32Артикул: 02070010225
Быстрый просмотр
Прокладка цилиндра DR230Цена 45 р. В корзину
Позиция на схеме: 33Артикул: 02020020035
Быстрый просмотр
Кольцо поршневое 32х1,5 DR230Цена 79 р. В корзину
Позиция на схеме: 36Артикул: 02020030017
Быстрый просмотр
Кольцо стопорное поршневого пальца PS227,T233Цена 19 р. В корзину
Позиция на схеме: 37Артикул: 03090020017
Быстрый просмотр
Подшипник игольчатый поршневого пальца GB227, GBV327S, DR230, T233, PS227 8х11х12 см.971081112
Посмотреть аналог
Цена 89 р. В корзину
Позиция на схеме: 39Артикул: 02070010226
Быстрый просмотр
Прокладка картера DR230Цена 55 р. В корзину
Позиция на схеме: 42Артикул: 70070080018
Быстрый просмотр
Опора сцепления HT726RЦена 125 р. В корзину
Позиция на схеме: 43Артикул: 02050230002
Быстрый просмотр
Сцепление DR230Цена 239 р. В корзину
Позиция на схеме: 45Артикул: 03090010028
Быстрый просмотр
Подшипник 6001 коленвала Цена 165 р. В корзину
Позиция на схеме: 48Артикул: 03100010032
Быстрый просмотр
Сальник 12х22х7 коленвала T233 ,261-527 / GC243 / AG243, 252 / HT625R, 726R / PP126 / GP25-II, 26-II cм.980122207
Посмотреть аналог
Цена 45 р. В корзину
Позиция на схеме: 49Артикул: 02050030216
Быстрый просмотр
Маховик DR230Цена 825 р. В корзину
Позиция на схеме: 51Артикул: 02050070084
Быстрый просмотр
Стартер в сборе DR230Цена 755 р. В корзину
Позиция на схеме: 70Артикул: 02060050028
Быстрый просмотр
Поршень 32 мм DR230 комплектЦена 619 р. В корзину
Позиция на схеме: 71Артикул: 02060050029
Быстрый просмотр
Поршневая группа DR230Цена 1 379 р. В корзину
Работаем с 2009 года
например, стартер 138
861 товар в магазине

Колл-центр

ПН-ПТ 10:00 - 18:00
СБ-ВС Выходной


время работы: ПН-ПТ 10:00 - 18:00, СБ-ВС Выходной

Меню

Каталог

Добавьте в корзину

Товар добавлен в корзину!