Детали двигателя Champion GG6500-3

Детали двигателя Champion GG6500-3

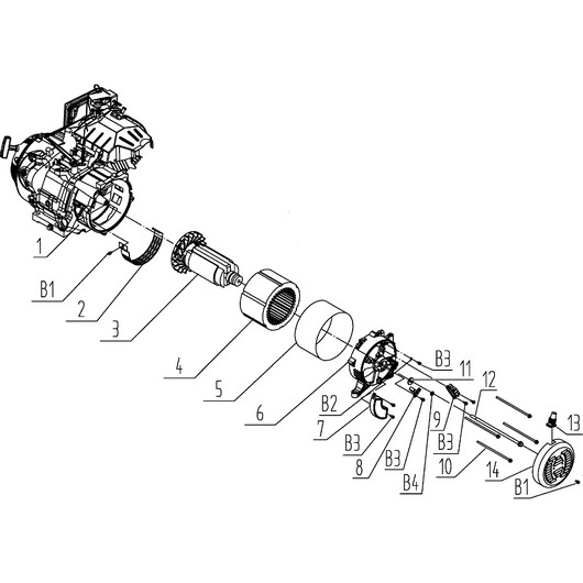
АртикулФотоНазваниеЦенаКупить
Позиция на схеме: 6Артикул: 3060002002001
Быстрый просмотр
Крышка генератора Champion GG6500 - 3060002002001Цена 2 085 р. В корзину
Позиция на схеме: 7Артикул: 3060003003006
Быстрый просмотр
Блок AVR GG7501E-3 (с 2017 г.) DG6501E-3 (1 колодка на 4 провода+2 провода)Цена 2 699 р. В корзину
Позиция на схеме: 8Артикул: 3063000090004
Быстрый просмотр
Щетки коллекторные для генератора Champion GG3301 - 3063000090004Цена 109 р. В корзину
Работаем с 2009 года
например, стартер 120T
848 товаров в магазине

Колл-центр

ПН-ПТ 10:00 - 18:00
СБ-ВС Выходной


время работы: ПН-ПТ 10:00 - 18:00, СБ-ВС Выходной

Меню

Каталог

Добавьте в корзину

Товар добавлен в корзину!