Замечание: Undefined index: REDIRECT_URL в файле /var/www/champion-tools.ru/public_html/hostcmsfiles/lib/lib_156/lib_156.php (строка 244)

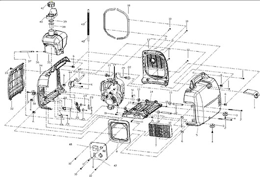
Общий вид Champion IGG1100

Общий вид Champion IGG1100

АртикулФотоНазваниеЦенаКупить
Позиция на схеме: 9Артикул: 10420030200100
Быстрый просмотр
Пробка топливного бака IGG1000 / IGG2001Цена 465 р. Уведомить
Позиция на схеме: 33Артикул: 10412010101
Быстрый просмотр
Кран топливный IGG1000 / IGG2001Цена 145 р. Уведомить
Позиция на схеме: 42Артикул: 10412050300300B
Быстрый просмотр
Блок инверторный IGG1000Цена 25 049 р. В корзину
Позиция на схеме: 45Артикул: 10412010202A
Быстрый просмотр
Блок индикации IGG1000 (1kW)Цена 2 109 р. Уведомить
Позиция на схеме: 62Артикул: 644010010500
Быстрый просмотр
Праймер IGG1000/ IGG2001
Работаем с 2009 года
например, магнето 142
861 товар в магазине

Колл-центр

ПН-ПТ 10:00 - 18:00
СБ-ВС Выходной


время работы: ПН-ПТ 10:00 - 18:00, СБ-ВС Выходной

Меню

Каталог

Добавьте в корзину

Товар добавлен в корзину!