Замечание: Undefined index: REDIRECT_URL в файле /var/www/champion-tools.ru/public_html/hostcmsfiles/lib/lib_156/lib_156.php (строка 244)

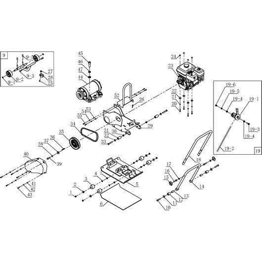
Рукоятка, вибратор и плита Champion PC8742F

Рукоятка, вибратор и плита Champion PC8742F

АртикулФотоНазваниеЦенаКупить
Позиция на схеме: 3Артикул: CNP80DG003
Быстрый просмотр
Амортизатор плиты вибратора PC8742F заменен на артикул CNP120DG003
Посмотреть аналог
Цена 775 р. Уведомить
Позиция на схеме: 6Артикул: C1714
Быстрый просмотр
Коврик универсальный для виброплиты 600мм*500мм*6ммЦена 3 690 р. В корзину
Позиция на схеме: 9Артикул: C1710
Быстрый просмотр
Тележка транспортировочная для PC8742F, PC1050FTЦена 2 590 р. В корзину
Позиция на схеме: 12Артикул: CNP80DG012
Быстрый просмотр
Амортизатор рукоятки PC8742F PC1050FT (втулка резиновая 31,5x20,5x32)Цена 109 р. В корзину
Позиция на схеме: 15Артикул: CNP80DG015
Быстрый просмотр
Гайка барашковая крепления рукоятки PC8742F см.CNP60S030/CNP120DG015
Посмотреть аналог
Цена 109 р. В корзину
Позиция на схеме: 18Артикул: CNP80DG018
Быстрый просмотр
Рукоятка рабочая PC8742F верхняя половинаЦена 1 675 р. Уведомить
Позиция на схеме: 19Артикул: CNP80DG019-1
Быстрый просмотр
Рычаг газа PC6036F PC8742F PC9045F PC9750FT PC1050FT - CNP80DG019-1
Посмотреть аналог
Цена 965 р. В корзину
Позиция на схеме: 19Артикул: CNP80DG019-2
Быстрый просмотр
Трос газа PC6036, PC8742, PC9750, PC1050F(T) - CNP80DG019-2
Посмотреть аналог
Цена 365 р. В корзину
Позиция на схеме: 28Артикул: CNP80DG028
Быстрый просмотр
Фиксатор транспортировочной тележки PC8742F см.500002/CNP110062
Посмотреть аналог
Цена 555 р. В корзину
Позиция на схеме: 31Артикул: CNP80DG031
Быстрый просмотр
Буфер упорный рукоятки PC8742FЦена 185 р. В корзину
Позиция на схеме: 34Артикул: CNP80DG034
Быстрый просмотр
Ремень 13х813Li PC8742F см.CNP15026-1
Посмотреть аналог
Цена 715 р. В корзину
Позиция на схеме: 35Артикул: CNP80DG035
Быстрый просмотр
Шкив двигателя с муфтой сцепления PC8742FЦена 7 125 р. В корзину
Позиция на схеме: 36Артикул: CNP80DG036
Быстрый просмотр
Шпонка вала двигателя PC8742F см.CNP120DG036
Посмотреть аналог
Цена 19 р. В корзину
Позиция на схеме: 40Артикул: CNP80DG040
Быстрый просмотр
Кожух ремня PC8742F, 1050FT см.CNP120DG040
Посмотреть аналог
Цена 2 549 р. В корзину
Позиция на схеме: 0Артикул: 500043
Быстрый просмотр
Амортизатор H40-D52-M10x1.5-22-27 PC5431F PC8742F PC1050FT
Посмотреть аналог
Цена 979 р. Уведомить
Работаем с 2009 года
например, коленвал 245
861 товар в магазине

Колл-центр

ПН-ПТ 10:00 - 18:00
СБ-ВС Выходной


время работы: ПН-ПТ 10:00 - 18:00, СБ-ВС Выходной

Меню

Каталог

Добавьте в корзину

Товар добавлен в корзину!