Корпус и рукоятка Champion 520N-16

Корпус и рукоятка Champion 520N-16

АртикулФотоНазваниеЦенаКупить
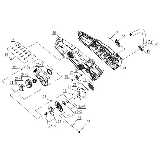
Позиция на схеме: 16Артикул: 8342-462304-0000000
Быстрый просмотр
Пружина ведущей звездочки 118, 318, 418N, 420N, 324N, 424N, CSB360, PPB400Цена 25 р. В корзину
Позиция на схеме: 17Артикул: 8128-462202-0000000
Быстрый просмотр
Звездочка ведущая 118 - 522N (с ограничителем цепи) - 8128-462202-0000000
Посмотреть аналог
Цена 59 р. В корзину
Позиция на схеме: 18Артикул: 8CE-07B
Быстрый просмотр
Шайба стопорная ведущей звездочки 118, 318, 324N, 418N, 420N, 422, 424N / CSB360 / PPB360, 400Цена 29 р. В корзину
Позиция на схеме: 20Артикул: 8208-438301-0000020
Быстрый просмотр
Уплотнитель подачи масла PPB400Цена 9 р. В корзину
Позиция на схеме: 22Артикул: 8181-431801-0000000
Быстрый просмотр
Упор зубчатый 424NЦена 65 р. Уведомить
Позиция на схеме: 23Артикул: 8440-494101-0000000
Быстрый просмотр
Механизм натяжения цепи 420N 520N 522N CSB360 (комплект)Цена 385 р. В корзину
Позиция на схеме: 24Артикул: 8342-462305-0000000
Быстрый просмотр
Пружина крышки шины 420N,422N безынструментальное натяжениеЦена 25 р. В корзину
Работаем с 2009 года
например, коленвал 55
848 товаров в магазине

Колл-центр

ПН-ПТ 10:00 - 18:00
СБ-ВС Выходной


время работы: ПН-ПТ 10:00 - 18:00, СБ-ВС Выходной

Меню

Каталог

Добавьте в корзину

Товар добавлен в корзину!