Замечание: Undefined index: REDIRECT_URL в файле /var/www/champion-tools.ru/public_html/hostcmsfiles/lib/lib_156/lib_156.php (строка 244)

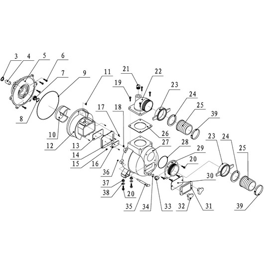
Детали помпы Champion GTP101E после 2021 года

Детали помпы Champion GTP101E после 2021 года

АртикулФотоНазваниеЦенаКупить
Позиция на схеме: 4Артикул: 039120102800
Быстрый просмотр
Втулка GTP101E сальника крыльчаткиЦена 1 195 р. В корзину
Позиция на схеме: 5Артикул: 039120100100
Быстрый просмотр
Корпус помпы GTP101 сторона двигателяЦена 10 989 р. В корзину
Позиция на схеме: 7Артикул: 039120100200N
Быстрый просмотр
Сальник крыльчатки GTP101E комплект, нового образцаЦена 3 235 р. В корзину
Позиция на схеме: 8Артикул: 039120102900
Быстрый просмотр
Шайба сальника регулировочная GTP101EЦена 95 р. В корзину
Позиция на схеме: 9Артикул: 039120100300
Быстрый просмотр
Кольцо уплотнительное корпуса крыльчатки/помпы GTP101EЦена 299 р. В корзину
Позиция на схеме: 10Артикул: 039120100400
Быстрый просмотр
Крыльчатка помпы GTP101EЦена 2 635 р. В корзину
Позиция на схеме: 12Артикул: 039120100500
Быстрый просмотр
Корпус крыльчатки GTP101Цена 7 329 р. В корзину
Позиция на схеме: 14Артикул: 039120100700
Быстрый просмотр
Клапан помпы GTP101E обратныйЦена 289 р. В корзину
Позиция на схеме: 21Артикул: 039120101000
Быстрый просмотр
Пробка насоса GTP101E заливнаяЦена 215 р. В корзину
Позиция на схеме: 22Артикул: 039120101101
Быстрый просмотр
Фланец помпы GTP101E выходнойЦена 3 379 р. В корзину
Позиция на схеме: 23Артикул: 039040102200
Быстрый просмотр
Гайка фланца GP100E / GTP101EЦена 905 р. В корзину
Позиция на схеме: 24Артикул: 039040102000
Быстрый просмотр
Кольцо уплотнительное патрубка рукава GP100EЦена 125 р. В корзину
Позиция на схеме: 25Артикул: 039040102100
Быстрый просмотр
Патрубок рукава GP100E,101E входной/выходнойЦена 1 225 р. В корзину
Позиция на схеме: 26Артикул: 039120101500
Быстрый просмотр
Прокладка фланца GTP101E выпускногоЦена 55 р. В корзину
Позиция на схеме: 27Артикул: 039120101600
Быстрый просмотр
Корпус помпы GTP101 сторона фланцевЦена 19 525 р. В корзину
Позиция на схеме: 28Артикул: 039120101700
Быстрый просмотр
Кольцо уплотнительное фланца GTP101E впускногоЦена 269 р. В корзину
Позиция на схеме: 29Артикул: 039120101801
Быстрый просмотр
Фланец помпы GTP101E входнойЦена 1 815 р. В корзину
Позиция на схеме: 30Артикул: 039120101900
Быстрый просмотр
Прокладка лючка очистки корпуса помпы GTP101EЦена 155 р. В корзину
Позиция на схеме: 31Артикул: 039120102000
Быстрый просмотр
Лючок очистки корпуса помпы GTP101EЦена 825 р. В корзину
Позиция на схеме: 32Артикул: 039120102100
Быстрый просмотр
Гайка крепления крышки люка очистки корпуса помпы GTP101EЦена 305 р. В корзину
Позиция на схеме: 33Артикул: 660240001-0001
Быстрый просмотр
Пробка насоса GP50-100 (без уплотнительного кольца) - 660240001-0001Цена 39 р. В корзину
Позиция на схеме: 34Артикул: 039090101000
Быстрый просмотр
Кольцо уплотнительное пробки сливной / заливной GP40, 40-II, GP50-100E / GTP80, 82, 101, DTP81E 32х25, 8х4, 2Цена 75 р. В корзину
Позиция на схеме: 35Артикул: 039120102200
Быстрый просмотр
Болт корпуса помпы GTP101 Т-образныйЦена 359 р. В корзину
Работаем с 2009 года
например, цилиндр 138
861 товар в магазине

Колл-центр

ПН-ПТ 10:00 - 18:00
СБ-ВС Выходной


время работы: ПН-ПТ 10:00 - 18:00, СБ-ВС Выходной

Меню

Каталог

Добавьте в корзину

Товар добавлен в корзину!