Замечание: Undefined index: REDIRECT_URL в файле /var/www/champion-tools.ru/public_html/hostcmsfiles/lib/lib_156/lib_156.php (строка 244)

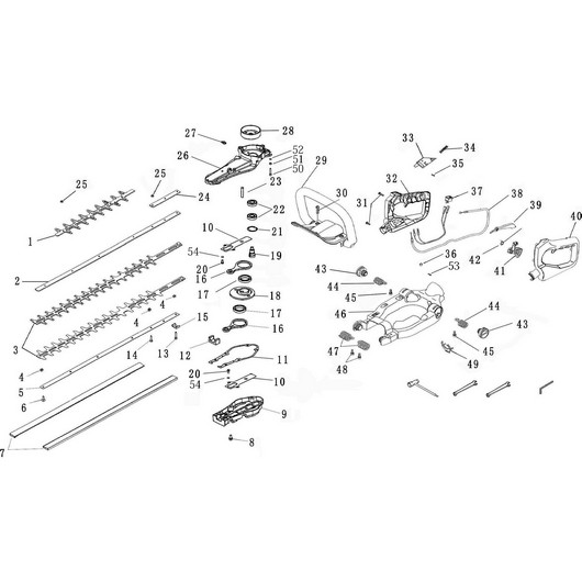
Редуктор и ножи Champion HT625R

Редуктор и ножи Champion HT625R

АртикулФотоНазваниеЦенаКупить
Позиция на схеме: 2Артикул: 02020070064
Быстрый просмотр
Защита ножей HT625R, 726RЦена 419 р. В корзину
Позиция на схеме: 2Артикул: 02020070063
Быстрый просмотр
Нож HT625R комплектЦена 5 719 р. В корзину
Позиция на схеме: 2Артикул: 02020070065
Быстрый просмотр
Опора ножей HT726R (нижняя)Цена 425 р. В корзину
Позиция на схеме: 2Артикул: 70070080064
Быстрый просмотр
Корпус редуктора HT726R нижняя половинаЦена 555 р. В корзину
Позиция на схеме: 2Артикул: 02070010105
Быстрый просмотр
Прокладка корпуса HT625RЦена 79 р. В корзину
Позиция на схеме: 2Артикул: 03090010022
Быстрый просмотр
Подшипник шатуна привода ножа HT625R, 726RЦена 215 р. В корзину
Позиция на схеме: 2Артикул: 02020090004
Быстрый просмотр
Шестерня привода ножей HT726RЦена 325 р. Уведомить
Позиция на схеме: 2Артикул: 3090010020
Быстрый просмотр
Подшипник ведущей шестерни привода ножа HT625R, 726RЦена 105 р.
Позиция на схеме: 2Артикул: 02020050027
Быстрый просмотр
Барабан сцепления HT625R, 726RЦена 999 р. Уведомить
Позиция на схеме: 2Артикул: 70030030348
Быстрый просмотр
Рукоятка передняя HT625R, 726RЦена 579 р. В корзину
Позиция на схеме: 2Артикул: 70030070251
Быстрый просмотр
Рукоятка управления HT625R, 726R правая половинаЦена 395 р. В корзину
Позиция на схеме: 2Артикул: 02050040100
Быстрый просмотр
Трос газа HT625R, 726RЦена 79 р. В корзину
Позиция на схеме: 2Артикул: 70030070290
Быстрый просмотр
Предохранитель курка газа HT625R,726RЦена 35 р. В корзину
Позиция на схеме: 2Артикул: 70030070258
Быстрый просмотр
Рукоятка управления HT625R, 726R левая половинаЦена 405 р. В корзину
Позиция на схеме: 2Артикул: 02020110056
Быстрый просмотр
Виброизолятор HT625R,726R заднийЦена 25 р. В корзину
Позиция на схеме: 2Артикул: 70030180184
Быстрый просмотр
Рама HT625R, 726RЦена 889 р. В корзину
Позиция на схеме: 2Артикул: 02020110053
Быстрый просмотр
Виброизолятор HT625R,726R переднийЦена 59 р. В корзину
Позиция на схеме: 2Артикул: 70030160108
Быстрый просмотр
Фиксатор задней рукоятки HT625R, 726RЦена 35 р. В корзину
Работаем с 2009 года
например, магнето 254
861 товар в магазине

Колл-центр

ПН-ПТ 10:00 - 18:00
СБ-ВС Выходной


время работы: ПН-ПТ 10:00 - 18:00, СБ-ВС Выходной

Меню

Каталог

Добавьте в корзину

Товар добавлен в корзину!