Замечание: Undefined index: REDIRECT_URL в файле /var/www/champion-tools.ru/public_html/hostcmsfiles/lib/lib_156/lib_156.php (строка 244)

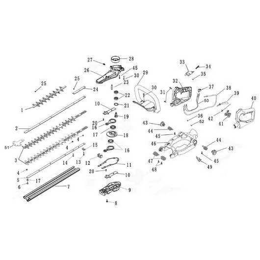
Рама, рукоятка и нож Champion HT626R

Рама, рукоятка и нож Champion HT626R

АртикулФотоНазваниеЦенаКупить
Позиция на схеме: 1Артикул: 02020070064
Быстрый просмотр
Защита ножей HT625R, 726RЦена 419 р. В корзину
Позиция на схеме: 3Артикул: 02020070063
Быстрый просмотр
Нож HT625R комплектЦена 5 719 р. В корзину
Позиция на схеме: 5Артикул: 02020070065
Быстрый просмотр
Опора ножей HT726R (нижняя)Цена 425 р. В корзину
Позиция на схеме: 9Артикул: 70070080064
Быстрый просмотр
Корпус редуктора HT726R нижняя половинаЦена 555 р. В корзину
Позиция на схеме: 11Артикул: 02070010105
Быстрый просмотр
Прокладка корпуса HT625RЦена 79 р. В корзину
Позиция на схеме: 16Артикул: 02020090191
Быстрый просмотр
Шатун привода ножа HT625R, 726RЦена 1 469 р. В корзину
Позиция на схеме: 17Артикул: 03090010022
Быстрый просмотр
Подшипник шатуна привода ножа HT625R, 726RЦена 215 р. В корзину
Позиция на схеме: 18Артикул: 02020090190
Быстрый просмотр
Эксцентрик привода ножей HT726RЦена 1 049 р. В корзину
Позиция на схеме: 19Артикул: 02020090192
Быстрый просмотр
Шестерня привода ножей HT625,726R М10 после 2016Цена 345 р. В корзину
Позиция на схеме: 22Артикул: 3090010020
Быстрый просмотр
Подшипник ведущей шестерни привода ножа HT625R, 726RЦена 105 р.
Позиция на схеме: 26Артикул: 70070010034TU
Быстрый просмотр
Корпус редуктора HT626R верхняя половинаЦена 729 р. В корзину
Позиция на схеме: 28Артикул: 02020090193
Быстрый просмотр
Барабан сцепления HT625R, 726R M10 после 2016гЦена 375 р. В корзину
Позиция на схеме: 29Артикул: 70030030348TU
Быстрый просмотр
Рукоятка передняя HT626RЦена 285 р. В корзину
Позиция на схеме: 32Артикул: 70030070251
Быстрый просмотр
Рукоятка управления HT625R, 726R правая половинаЦена 395 р. В корзину
Позиция на схеме: 33Артикул: 70030160147
Быстрый просмотр
Рычаг фиксатора рукоятки HT625R, 726RЦена 45 р. В корзину
Позиция на схеме: 38Артикул: 02050040235TU
Быстрый просмотр
Трос газа HT626RЦена 95 р. В корзину
Позиция на схеме: 39Артикул: 70030070290
Быстрый просмотр
Предохранитель курка газа HT625R,726RЦена 35 р. В корзину
Позиция на схеме: 40Артикул: 70030070258
Быстрый просмотр
Рукоятка управления HT625R, 726R левая половинаЦена 405 р. В корзину
Позиция на схеме: 41Артикул: 70030070470
Быстрый просмотр
Курок газа HT625R, 726RЦена 45 р. В корзину
Позиция на схеме: 43Артикул: 70030180496
Быстрый просмотр
Заглушка виброизолятора HT625R,726RЦена 39 р. В корзину
Позиция на схеме: 44Артикул: 02020110056
Быстрый просмотр
Виброизолятор HT625R,726R заднийЦена 25 р. В корзину
Позиция на схеме: 46Артикул: 70030180435TU
Быстрый просмотр
Рама HT626RЦена 369 р. В корзину
Позиция на схеме: 47Артикул: 02020110053TU
Быстрый просмотр
Виброизолятор HT626R переднийЦена 25 р. В корзину
Позиция на схеме: 49Артикул: 70030160108
Быстрый просмотр
Фиксатор задней рукоятки HT625R, 726RЦена 35 р. В корзину
Работаем с 2009 года
например, коленвал 120T
861 товар в магазине

Колл-центр

ПН-ПТ 10:00 - 18:00
СБ-ВС Выходной


время работы: ПН-ПТ 10:00 - 18:00, СБ-ВС Выходной

Меню

Каталог

Добавьте в корзину

Товар добавлен в корзину!