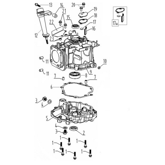
Картер Champion LMH5640

Картер Champion LMH5640

АртикулФотоНазваниеЦенаКупить
Позиция на схеме: 2Артикул: C5Y402507
Быстрый просмотр
Сальник 25х40х7 редуктора G170-1VK LM4626 LM4840 LM5127 LM5130 LM5131LM5345 LM5346E GS5562 LM4630 / LM4630(T8) верх / LMH5640(2023-) низ (аналог артикул -CFB00C010)
Посмотреть аналог
Цена 85 р. В корзину
Позиция на схеме: 3Артикул: 578910015BX
Быстрый просмотр
Болт слива масла М10х1,25 L-15мм G87-223 Цена 19 р. В корзину
Позиция на схеме: 4Артикул: GFB02000
Быстрый просмотр
Шайба G170-1VK1, G170-1VK2, G200-1HK, G200HKЦена 19 р. В корзину
Позиция на схеме: 5Артикул: 31110136001000
Быстрый просмотр
Крышка картера LMH5640(c 2023)Цена 3 569 р. В корзину
Позиция на схеме: 6Артикул: 31050136001000
Быстрый просмотр
Прокладка крышки картера LMH5640(c 2023)Цена 159 р. В корзину
Позиция на схеме: 8Артикул: 27606205
Быстрый просмотр
Подшипник 6205 коленвала G160-210H+V / распредвала DG см.521010010501 / 521010010502
Посмотреть аналог
Цена 229 р. В корзину
Позиция на схеме: 9Артикул: 31060136001000
Быстрый просмотр
Картер V70 LMH5640(c 2023) 173 ccЦена 5 525 р. В корзину
Позиция на схеме: 10Артикул: 380650338-0001
Быстрый просмотр
Сальник 6х11х4 LM4122 вала рычага регулятора оборотов см.60360080000
Посмотреть аналог
Цена 69 р. В корзину
Позиция на схеме: 12Артикул: 21020135001000
Быстрый просмотр
Горловина маслозаливная LMH5629 в комплекте с щупомЦена 265 р. В корзину
Позиция на схеме: 15Артикул: 380650335-0001
Быстрый просмотр
Сальник 25х38х7 коленвала G110VK, 140VK, 160VK, 170-1VK, 200VK, 225VK, BC4401 / BC5602 / LM4630-5346E верхнийЦена 65 р. В корзину
Позиция на схеме: 17Артикул: 20010136041000
Быстрый просмотр
Клапан сапуна картера LMH5640(c 2023) ремкомплектЦена 105 р. Уведомить
Работаем с 2009 года
например, магнето 255
847 товаров в магазине

Колл-центр

ПН-ПТ 10:00 - 18:00
СБ-ВС Выходной


время работы: ПН-ПТ 10:00 - 18:00, СБ-ВС Выходной

Меню

Каталог

Добавьте в корзину

Товар добавлен в корзину!