Замечание: Undefined index: REDIRECT_URL в файле /var/www/champion-tools.ru/public_html/hostcmsfiles/lib/lib_156/lib_156.php (строка 244)

Рукоятка рабочая Champion ST656

Рукоятка рабочая Champion ST656

АртикулФотоНазваниеЦенаКупить
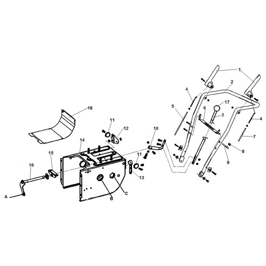
Позиция на схеме: 1Артикул: SJ-110
Быстрый просмотр
Рычаг включения хода/шнека ST656Цена 315 р. В корзину
Позиция на схеме: 3Артикул: SJ-068A
Быстрый просмотр
Рычаг включения передач ST656Цена 379 р. В корзину
Позиция на схеме: 4Артикул: SJ-033B
Быстрый просмотр
Поводок троса ST556 (хода) ST655,656 (хода, шнека)/GS5062 верхняя часть (с гайкой)Цена 119 р. В корзину
Позиция на схеме: 5Артикул: SJ-032
Быстрый просмотр
Трос включения хода ST655 ST656 L=1055 мм замена на (аналоги артикул (L=1082 мм cм LD522-701 см ZZZS53028)Цена 725 р. В корзину
Позиция на схеме: 8Артикул: SJ-044C
Быстрый просмотр
Втулка кронштейна рычага поворота желоба ST556,656Цена 75 р. В корзину
Позиция на схеме: 9Артикул: SJ-044B
Быстрый просмотр
Кронштейн крепления рычага поворота желоба ST556,656 верхнийЦена 485 р. В корзину
Позиция на схеме: 10Артикул: SJ-068B
Быстрый просмотр
Уголок соединительный рычага передач ST656Цена 225 р. В корзину
Позиция на схеме: 11Артикул: SJ-016B
Быстрый просмотр
Направляющий ролик тросаЦена 55 р. В корзину
Позиция на схеме: 12Артикул: SJ-016A
Быстрый просмотр
Кронштейн крепления ролика тросов ST655 ST656Цена 75 р. В корзину
Позиция на схеме: 14Артикул: SJ-103B-2
Быстрый просмотр
Корпус механизма привода колес ST656 ST656(BS) ST761Е (BS) ST762Е ST861 ST861E ST861BSЦена 5 319 р. В корзину
Позиция на схеме: 15Артикул: SJ-002
Быстрый просмотр
Кронштейн крепления рычага GS5562 ST556 ST656 ST762 ST861 В корзину
Позиция на схеме: 16Артикул: SJ-040
Быстрый просмотр
Рычаг включения диска фрикциона ST556 ST656 GS5562Цена 295 р. В корзину
Позиция на схеме: 17Артикул: SX-11-380
Быстрый просмотр
Ручка рычага переключения передач ST656Цена 245 р. В корзину
Позиция на схеме: 18Артикул: SJ-102
Быстрый просмотр
Крышка корпуса механизма привода колес ST656 ST656BS ST761Е ST762Е ST861BS старого образцаЦена 665 р. Уведомить
Работаем с 2009 года
например, коленвал 265
861 товар в магазине

Колл-центр

ПН-ПТ 10:00 - 18:00
СБ-ВС Выходной


время работы: ПН-ПТ 10:00 - 18:00, СБ-ВС Выходной

Меню

Каталог

Добавьте в корзину

Товар добавлен в корзину!