Замечание: Undefined index: REDIRECT_URL в файле /var/www/champion-tools.ru/public_html/hostcmsfiles/lib/lib_156/lib_156.php (строка 244)

Карбюратор Champion ST762E

Карбюратор Champion ST762E

АртикулФотоНазваниеЦенаКупить
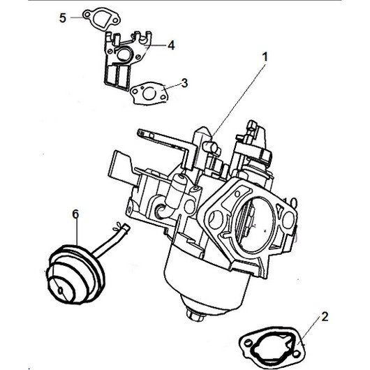
Позиция на схеме: 1Артикул: 170021087-0001
Быстрый просмотр
Карбюратор ST553 ST556 ST656 ST661 ST662E ST762Е (комплект с рычагом воздушной заслонки)Цена 2 435 р. В корзину
Позиция на схеме: 2Артикул: 170430065-0001
Быстрый просмотр
Прокладка под корпус воздушного фильтра G120HK-250HK, PC1151FT, 6337F LM5347 замена на G1701E0102000
Посмотреть аналог
Цена 79 р. Уведомить
Позиция на схеме: 3Артикул: 170430048-0001
Быстрый просмотр
Прокладка под карбюратор ST553 - (STT)761E - 170430048-0001Цена 35 р. В корзину
Позиция на схеме: 4Артикул: 170440096-0001
Быстрый просмотр
Теплоизолятор карбюратора ST556, 656, 762Е см.FBC005Цена 80 р. Уведомить
Позиция на схеме: 5Артикул: 170430060-0001
Быстрый просмотр
Прокладка под теплоизолятор G120- G223H GG2000-3301 GP50- GP82 ST553 - ST762E Цена 45 р. В корзину
Позиция на схеме: 6Артикул: 173390001-0001
Быстрый просмотр
Праймер для снегоуборщиков STЦена 355 р. В корзину
Позиция на схеме: 7Артикул: 380750461-T050
Быстрый просмотр
Шланг праймера STЦена 65 р. В корзину
Позиция на схеме: 6Артикул: 380840455-0001
Быстрый просмотр
Кольцо уплотнительное поплавковой камеры карбюратора G120HK- 210HK 160VK / GP51, GTP81 / G2500 ST556 ST656Цена 35 р. В корзину
Работаем с 2009 года
например, поршень 138
861 товар в магазине

Колл-центр

ПН-ПТ 10:00 - 18:00
СБ-ВС Выходной


время работы: ПН-ПТ 10:00 - 18:00, СБ-ВС Выходной

Меню

Каталог

Добавьте в корзину

Товар добавлен в корзину!