Детали фрикциона Champion STT1170E

Детали фрикциона Champion STT1170E

АртикулФотоНазваниеЦенаКупить
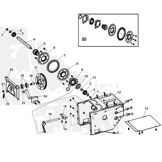
Позиция на схеме: 3Артикул: KBE-6203
Быстрый просмотр
Подшипник 6203RS (вала фрикциона со стопорным кольцом)Цена 345 р. В корзину Уведомить
Позиция на схеме: 4Артикул: SX-11-156
Быстрый просмотр
Вал привода колеса фрикциона STT1170E шестигранникЦена 415 р. В корзину
Позиция на схеме: 5Артикул: SJ-013C
Быстрый просмотр
Втулка корпуса колеса фрикциона ST656, 656BS, 761Е, 762E, 861BS, 1170E, 1170BS / STT1170E, 1376Е на вал 22ммЦена 165 р. В корзину
Позиция на схеме: 6Артикул: SJ-013AB
Быстрый просмотр
Диск правый фрикционного колеса ST556 ST656(BS) ST(T)761Е(BS) ST762Е ST861(E)(BS) ST(T)1170Е(BS) ST1376Е (с резьбами)Цена 1 099 р. В корзину
Позиция на схеме: 7Артикул: SJ-013D-14
Быстрый просмотр
Колесо фрикционное ST556 ST656 (BS), ST(T)761Е(BS) ST762Е ST861(E)(BS) ST(T)1170Е(BS) ST1376Е GS5562 без диска (124x98x15 )Цена 779 р. В корзину
Позиция на схеме: 8Артикул: SJ-013AC
Быстрый просмотр
Корпус колеса фрикциона ST556, 656, 656BS, 761Е, 762E, 861, 1170E, 1170BS / STT1170E, 1376Е ( левая половина )Цена 1 445 р. В корзину
Позиция на схеме: 9Артикул: SJ-013B
Быстрый просмотр
Корпус подшипника ST556, 656, 656BS, 761E, 762E, 861BS, 1170Е, STT1170E, 1376Е, GS ( диск фрикциона половина )Цена 165 р. В корзину
Позиция на схеме: 10Артикул: SX-11-183
Быстрый просмотр
Звездочка вала фрикциона ST1170E, 1170BS, STT1170E, 1376ЕЦена 369 р. В корзину
Позиция на схеме: 11Артикул: SX-11-184
Быстрый просмотр
Втулка вторичного вала STT761E ST1170E ST1170BS ST1376ЕЦена 75 р. В корзину
Позиция на схеме: 12Артикул: SX-11-187-14
Быстрый просмотр
Корпус механизма привода колес STT1170EЦена 6 635 р. В корзину
Позиция на схеме: 17Артикул: SJ-010
Быстрый просмотр
Шкив ремня привода хода ST556- ST1376 - SJ-010Цена 1 605 р. В корзину Уведомить
Позиция на схеме: 18Артикул: SJ-010B
Быстрый просмотр
Вал шкива привода хода ST556, 656, 656BS, 761Е, 762E, 861BS, 1170E, 1170BS / STT1170E, 1376Е, GS5562Цена 185 р. В корзину
Позиция на схеме: 20Артикул: SJ-007
Быстрый просмотр
Кронштейн шкива привода хода ST556, 656, 656BS, 761Е, 762E, 861BS, 1170E, 1170BS / STT1170E, 1376Е, GS5562Цена 779 р. В корзину
Позиция на схеме: 23Артикул: SJ-107
Быстрый просмотр
Втулка GS5562
Позиция на схеме: 30Артикул: ZZZ000S28998-22
Быстрый просмотр
Колесо фрикциона привода хода ST656, 656BS, 761Е, 762E, 861(BS), (T)1170(E, BS), 1376Е в сборе на вал 22ммЦена 3 605 р. В корзину Уведомить
Позиция на схеме: 0Артикул: 2800600003-0001
Быстрый просмотр
Камера колеса 5.0-12Цена 575 р. В корзину
Работаем с 2009 года
например, магнето 245
848 товаров в магазине

Колл-центр

ПН-ПТ 10:00 - 18:00
СБ-ВС Выходной


время работы: ПН-ПТ 10:00 - 18:00, СБ-ВС Выходной

Меню

Каталог

Добавьте в корзину

Товар добавлен в корзину!