Крышка картера Champion CH1211E

Крышка картера Champion CH1211E

АртикулФотоНазваниеЦенаКупить
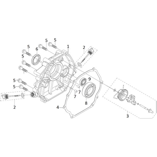
Позиция на схеме: 1Артикул: DF00A002
Быстрый просмотр
Крышка картера G390-1HK G390HK G420H ST1170E ST1376E Цена 2 239 р. В корзину
Позиция на схеме: 2Артикул: 110690097-0003
Быстрый просмотр
Щуп уровня масла G270HK, 390НК, 420HK, ST1170Е, 1376E см. 012040100000
Посмотреть аналог
Цена 45 р. В корзину
Позиция на схеме: 3Артикул: 171750046-0001
Быстрый просмотр
Регулятор оборотов G390НК, 390-1HK, 420HK, GG8000 / ST1170Е, 1376E центробежныйЦена 299 р. В корзину
Позиция на схеме: 4Артикул: DFB005
Быстрый просмотр
Прокладка крышки картера G390-1HK / GG6500, 7000, 7200, 7500, LPG6500E, GTP100, ST1170E, 1376
Посмотреть аналог
Цена 75 р. В корзину
Позиция на схеме: 5Артикул: 380140005-0006
Быстрый просмотр
Болт М8х40 G390-1HK, G390-1HKE, G390HK, G390HKE
Позиция на схеме: 6Артикул: 380650337-0001
Быстрый просмотр
Сальник 35х52х7 коленвала G390НК, 420HK, 760HKE, GG8000Е / ST1376E
Посмотреть аналог
Цена 399 р. В корзину
Позиция на схеме: 7Артикул: 380600119-0001
Быстрый просмотр
Штифт 8х12 G270-1HK, G270HK, G390HK, G390HKE, G420HK, G420HKDC, G420HKE, G680HKE
Позиция на схеме: 8Артикул: 380630141-0002
Быстрый просмотр
Подшипник 6207 коленвала G390НК, 420HK, GG7000E, 7200E, 7500E, 8000E / GTP101E, ST1170Е, 1376EЦена 555 р. В корзину
Позиция на схеме: 9Артикул: 04035303008
Быстрый просмотр
Подшипник 6202 коленвала 55, 245, 250, 251, 254, 256, 350, 362, T434-516, 446-527, AG243, 252, GC243
Посмотреть аналог
Цена 129 р. В корзину
Работаем с 2009 года
например, цилиндр 255
848 товаров в магазине

Колл-центр

ПН-ПТ 10:00 - 18:00
СБ-ВС Выходной


время работы: ПН-ПТ 10:00 - 18:00, СБ-ВС Выходной

Меню

Каталог

Добавьте в корзину

Товар добавлен в корзину!