Замечание: Undefined index: REDIRECT_URL в файле /var/www/champion-tools.ru/public_html/hostcmsfiles/lib/lib_156/lib_156.php (строка 244)

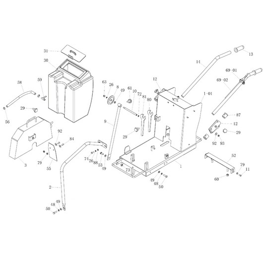
Рукоятка управления и корпус Champion SC400

Рукоятка управления и корпус Champion SC400

АртикулФотоНазваниеЦенаКупить
Позиция на схеме: 0Артикул: CNQ14012R
Быстрый просмотр
Кронштейн рабочей рукоятки SC400 правыйЦена 1 389 р. В корзину
Позиция на схеме: 3Артикул: CNQ14003
Быстрый просмотр
Кожух диска SC400Цена 4 135 р. В корзину
Позиция на схеме: 8Артикул: CNQ14008
Быстрый просмотр
Ролик указательный SC400Цена 369 р. В корзину
Позиция на схеме: 9Артикул: CNQ14009
Быстрый просмотр
Рычаг ролика указательного SC400Цена 1 139 р. В корзину
Позиция на схеме: 10Артикул: CNQ14010
Быстрый просмотр
Ось ролика указательного SC400Цена 359 р. В корзину
Позиция на схеме: 12Артикул: CNQ14012L
Быстрый просмотр
Кронштейн рабочей рукоятки SC400 левыйЦена 1 389 р. В корзину
Позиция на схеме: 13Артикул: CNQ14013
Быстрый просмотр
Ручка резиновая рабочей рукоятки SC400Цена 259 р. В корзину
Позиция на схеме: 14Артикул: CNQ14014
Быстрый просмотр
Рукоятка рабочая SC400Цена 1 179 р. В корзину
Позиция на схеме: 29Артикул: CNQ14029
Быстрый просмотр
Болт барашковый SC400Цена 149 р. В корзину
Позиция на схеме: 30Артикул: CNQ14030
Быстрый просмотр
Бак для воды SC400Цена 6 635 р. В корзину
Позиция на схеме: 31Артикул: CNQ14031
Быстрый просмотр
Крышка бака для воды SC400Цена 1 105 р. В корзину
Позиция на схеме: 55Артикул: CNQ14055
Быстрый просмотр
Брызговик защитного кожуха диска SC400Цена 115 р. В корзину
Позиция на схеме: 59Артикул: CNQ14059
Быстрый просмотр
Кран подачи воды SC400Цена 489 р. В корзину
Позиция на схеме: 61Артикул: CNQ14061
Быстрый просмотр
Болт барашковый SC400 оси указательного роликаЦена 155 р. В корзину
Позиция на схеме: 69Артикул: CNQ14069-01
Быстрый просмотр
Рычаг газа SC400Цена 925 р. В корзину
Позиция на схеме: 69Артикул: CNQ14069-02
Быстрый просмотр
Трос газа SC400Цена 369 р. В корзину
Позиция на схеме: 87Артикул: CNQ14087
Быстрый просмотр
Втулка резиновая крепления рабочей рукоятки SC400Цена 259 р. В корзину
Работаем с 2009 года
например, фильтр 240
861 товар в магазине

Колл-центр

ПН-ПТ 10:00 - 18:00
СБ-ВС Выходной


время работы: ПН-ПТ 10:00 - 18:00, СБ-ВС Выходной

Меню

Каталог

Добавьте в корзину

Товар добавлен в корзину!