Замечание: Undefined index: REDIRECT_URL в файле /var/www/champion-tools.ru/public_html/hostcmsfiles/lib/lib_156/lib_156.php (строка 244)

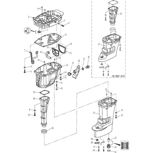
Нога Toyama F20ABMS

Нога Toyama F20ABMS

АртикулФотоНазваниеЦенаКупить
Позиция на схеме: 5Артикул: F15-04000008
Быстрый просмотр
Сальник 13х25х6 приводного вала Toyama T15BMSЦена 285 р. В корзину
Позиция на схеме: 6Артикул: F20-02020002
Быстрый просмотр
Прокладка масляного поддона Toyama F20ABMSЦена 1 289 р. В корзину
Позиция на схеме: 23Артикул: F20-02010004
Быстрый просмотр
Прокладка выхлопной трубыЦена 245 р. Уведомить
Работаем с 2009 года
например, стартер 245
861 товар в магазине

Колл-центр

ПН-ПТ 10:00 - 18:00
СБ-ВС Выходной


время работы: ПН-ПТ 10:00 - 18:00, СБ-ВС Выходной

Меню

Каталог

Добавьте в корзину

Товар добавлен в корзину!