Замечание: Undefined index: REDIRECT_URL в файле /var/www/champion-tools.ru/public_html/hostcmsfiles/lib/lib_156/lib_156.php (строка 244)

Прокладки Toyama F20ABMS

Прокладки Toyama F20ABMS

АртикулФотоНазваниеЦенаКупить
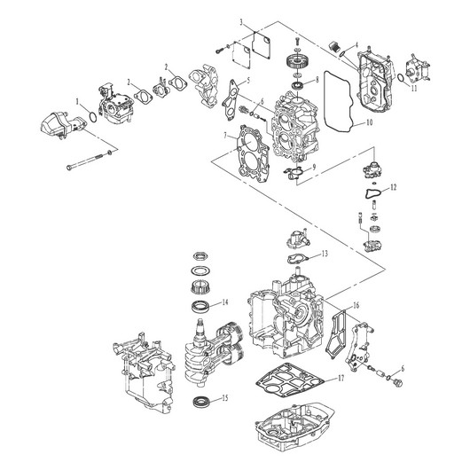
Позиция на схеме: 2Артикул: F20-05000008
Быстрый просмотр
Прокладка под карбюратор F20ABMSЦена 105 р. В корзину
Позиция на схеме: 5Артикул: F20-05000006
Быстрый просмотр
Прокладка впускного коллектора F20ABMSЦена 265 р. В корзину
Позиция на схеме: 7Артикул: F20-05000001
Быстрый просмотр
Прокладка головки цилиндра Toyama F20ABMSЦена 1 545 р. В корзину
Позиция на схеме: 9Артикул: F20-05030010
Быстрый просмотр
Прокладка масляного насоса Toyama F20ABMSЦена 355 р. В корзину
Позиция на схеме: 10Артикул: F20-05040002
Быстрый просмотр
Кольцо уплотнительное крышки клапанов Toyama F20ABMSЦена 245 р. Уведомить
Позиция на схеме: 13Артикул: F20-05000702
Быстрый просмотр
Прокладка крышки термостата F20AMBSЦена 179 р. В корзину
Позиция на схеме: 15Артикул: F15-07030006
Быстрый просмотр
Сальник 25х44х6,5 коленвала L Toyama F15BMSЦена 435 р. В корзину
Позиция на схеме: 16Артикул: F20-05000602
Быстрый просмотр
Прокладка крышки выпускного коллектора F20ABMSЦена 269 р. В корзину
Позиция на схеме: 17Артикул: F20-00000010
Быстрый просмотр
Прокладка картера Toyama F20ABMSЦена 885 р. В корзину
Работаем с 2009 года
например, стартер 142
861 товар в магазине

Колл-центр

ПН-ПТ 10:00 - 18:00
СБ-ВС Выходной


время работы: ПН-ПТ 10:00 - 18:00, СБ-ВС Выходной

Меню

Каталог

Добавьте в корзину

Товар добавлен в корзину!