Прокладки и редуктор Toyama F6ABMS

Прокладки и редуктор Toyama F6ABMS

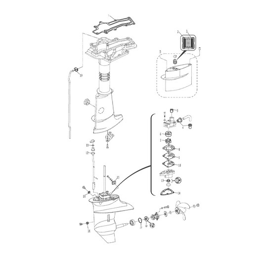
АртикулФотоНазваниеЦенаКупить
Позиция на схеме: 1Артикул: F6-00000001
Быстрый просмотр
Прокладка двигателя F6ABMSЦена 595 р. В корзину
Позиция на схеме: 3Артикул: T5-02010002
Быстрый просмотр
Втулка T5BML приводного валаЦена 109 р. Уведомить
Позиция на схеме: 4Артикул: T5-03000013
Быстрый просмотр
Уплотнение всасывающей водяной трубки Toyama T5BMSЦена 55 р. В корзину
Позиция на схеме: 5Артикул: T5-03000014
Быстрый просмотр
Уплотнение водяной трубки нижнее Toyama T5BMSЦена 45 р. В корзину
Позиция на схеме: 7Артикул: T5-03000300
Быстрый просмотр
Крыльчатка помпы Toyama T5BMSЦена 269 р. В корзину
Позиция на схеме: 9Артикул: T5-03000007
Быстрый просмотр
Пластина крыльчатки Toyama T5BMSЦена 1 025 р. В корзину
Позиция на схеме: 10Артикул: T5-03000006
Быстрый просмотр
Прокладка помпы нижняя Toyama T5BMSЦена 139 р. В корзину
Позиция на схеме: 11Артикул: T5-03000022
Быстрый просмотр
Уплотнение T5BMS направляющей втулки тяги переключения передачЦена 45 р. Уведомить
Позиция на схеме: 13Артикул: T5-03000202
Быстрый просмотр
Сальник 10х24х8 приводного вала нижний Toyama T5BMSЦена 249 р. В корзину
Позиция на схеме: 14Артикул: T5-03000005
Быстрый просмотр
Прокладка корпуса помпы Toyama T5BMSЦена 155 р. В корзину
Позиция на схеме: 15Артикул: T5-03000017
Быстрый просмотр
Анод T5BMS антикоррозийныйЦена 469 р. В корзину
Позиция на схеме: 16Артикул: F4-03000024
Быстрый просмотр
Кольцо пробки редуктора Toyama F5BMS, F9.8BMS, Toyama F15BMS, Toyama T2.6CBMS, Toyama T5BMS, Toyama T9.8BMS, Toyama T15BMSЦена 45 р. В корзину
Позиция на схеме: 18Артикул: F8-04040004
Быстрый просмотр
Сальник 15х28х10 горизонтального вала Toyama T5BMS, Toyama T9.8BMSЦена 349 р. В корзину
Работаем с 2009 года
например, стартер 265
848 товаров в магазине

Колл-центр

ПН-ПТ 10:00 - 18:00
СБ-ВС Выходной


время работы: ПН-ПТ 10:00 - 18:00, СБ-ВС Выходной

Меню

Каталог

Добавьте в корзину

Товар добавлен в корзину!