Замечание: Undefined index: REDIRECT_URL в файле /var/www/champion-tools.ru/public_html/hostcmsfiles/lib/lib_156/lib_156.php (строка 244)

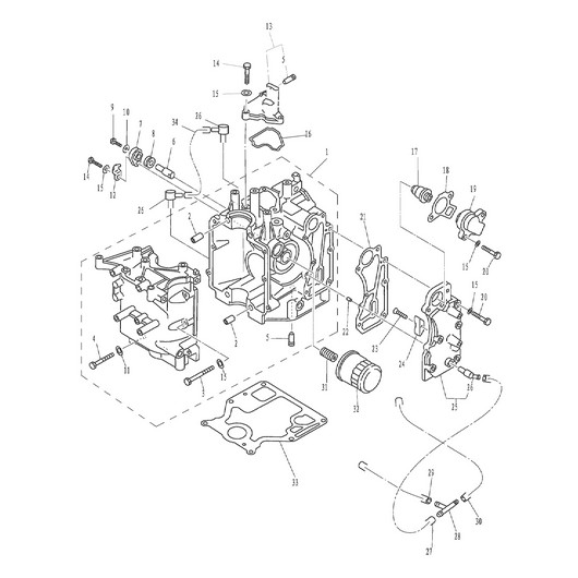
Цилиндр и картер Toyama F9.9BMS

Цилиндр и картер Toyama F9.9BMS

АртикулФотоНазваниеЦенаКупить
Позиция на схеме: 17Артикул: F15-07000031
Быстрый просмотр
Термостат Toyama F9.8BMS, Toyama F15BMSЦена 615 р. В корзину
Позиция на схеме: 21Артикул: F15-07010018
Быстрый просмотр
Прокладка крышки коллектора выпускного F9.9, F15Цена 315 р. В корзину
Позиция на схеме: 32Артикул: F15-07010023
Быстрый просмотр
Фильтр масляный Toyama F15BMSЦена 675 р. В корзину
Позиция на схеме: 33Артикул: F15-00000014
Быстрый просмотр
Прокладка двигателя F9.9BMS, Toyama F15BMSЦена 799 р. В корзину
Работаем с 2009 года
например, стартер 250
861 товар в магазине

Колл-центр

ПН-ПТ 10:00 - 18:00
СБ-ВС Выходной


время работы: ПН-ПТ 10:00 - 18:00, СБ-ВС Выходной

Меню

Каталог

Добавьте в корзину

Товар добавлен в корзину!