Замечание: Undefined index: REDIRECT_URL в файле /var/www/champion-tools.ru/public_html/hostcmsfiles/lib/lib_156/lib_156.php (строка 244)

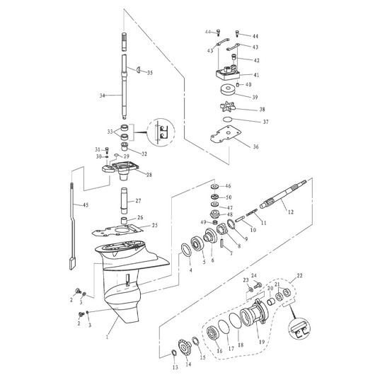
Детали редуктора Toyama F9.9BMS

Детали редуктора Toyama F9.9BMS

АртикулФотоНазваниеЦенаКупить
Позиция на схеме: 1Артикул: F15-06000001
Быстрый просмотр
Корпус редуктора T9.9BMS, T15BMS, F9.9BMS, F15BMS, F20ABMSЦена 15 145 р. В корзину
Позиция на схеме: 2Артикул: F4-03000023
Быстрый просмотр
Пробка редуктора сливная Toyama F5BMS, F9.8BMS, Toyama F15BMS, Toyama T2.6CBMS, Toyama T5BMS, Toyama T9.8BMS, Toyama T15BMSЦена 145 р. В корзину
Позиция на схеме: 3Артикул: F4-03000024
Быстрый просмотр
Кольцо пробки редуктора Toyama F5BMS, F9.8BMS, Toyama F15BMS, Toyama T2.6CBMS, Toyama T5BMS, Toyama T9.8BMS, Toyama T15BMSЦена 45 р. В корзину
Позиция на схеме: 6Артикул: F15-06010000
Быстрый просмотр
Шестерня переднего хода Toyama F15BMS, Toyama T15BMSЦена 3 659 р. В корзину
Позиция на схеме: 7Артикул: F15-06070004
Быстрый просмотр
Штифт муфты горизонтального вала Toyama T15BMS, Toyama F15BMSЦена 85 р. В корзину
Позиция на схеме: 8Артикул: F15-06070003
Быстрый просмотр
Муфта горизонтального вала Toyama T15BMS, Toyama F15BMSЦена 3 965 р. В корзину
Позиция на схеме: 9Артикул: F15-06070005
Быстрый просмотр
Кольцо муфты горизонтального вала Toyama T9.9BMS, Toyama T15BMS, Toyama T18BMS, T30ABMS, Toyama F15BMS, Toyama F20ABMS, F20EFIЦена 35 р. В корзину
Позиция на схеме: 10Артикул: F15-06070006
Быстрый просмотр
Плунжер муфты горизонтального вала Toyama T9.9BMS, Toyama T15BMS, Toyama T18BMS, F9.9BMS, Toyama F15BMS, Toyama F20ABMS, F20EFIЦена 255 р. В корзину
Позиция на схеме: 11Артикул: F15-06070002
Быстрый просмотр
Пружина горизонтального вала Toyama F15BMS, Toyama T15BMSЦена 39 р. В корзину
Позиция на схеме: 12Артикул: F15-06070001
Быстрый просмотр
Вал горизонтальный Toyama F15BMS, Toyama T15BMSЦена 9 055 р. В корзину
Позиция на схеме: 14Артикул: F15-06080005
Быстрый просмотр
Шестерня заднего хода Toyama F15BMS, Toyama T15BMSЦена 3 605 р. В корзину
Позиция на схеме: 17Артикул: F15-06080002
Быстрый просмотр
Кольцо A уплотнительное крышки редуктора Toyama T15BMS, Toyama T18BMS, Toyama F15BMS, Toyama F20ABMS/ корпуса сальников T30ABMSЦена 79 р. В корзину
Позиция на схеме: 18Артикул: F15-06080003
Быстрый просмотр
Кольцо B уплотнительное крышки редуктора Toyama T15BMS, Toyama F15BMSЦена 89 р. В корзину
Позиция на схеме: 21Артикул: F15-06080004
Быстрый просмотр
Сальник 17х30х6 горизонтального вала Toyama T15BMS, Toyama F15BMSЦена 275 р. В корзину
Позиция на схеме: 22Артикул: F15-06080000
Быстрый просмотр
Крышка редуктора в сборе Toyama F15BMS, Toyama T15BMSЦена 4 079 р. В корзину
Позиция на схеме: 25Артикул: F15-06000005
Быстрый просмотр
Прокладка корпуса редуктора Toyama T15BMS, Toyama F15BMSЦена 199 р. В корзину
Позиция на схеме: 27Артикул: F15-06000006
Быстрый просмотр
Втулка T15BMS, F15BMS приводного валаЦена 215 р. В корзину
Позиция на схеме: 28Артикул: F15-06020001
Быстрый просмотр
Основание помпы Toyama T15BMS, Toyama F15BMSЦена 1 685 р. В корзину
Позиция на схеме: 29Артикул: F15-06020004
Быстрый просмотр
Кольцо уплотнительное основания помпы Toyama T15BMS, Toyama F15BMSЦена 75 р. В корзину
Позиция на схеме: 32Артикул: F15-06020002
Быстрый просмотр
Подшипник скольжения верхний приводного вала Toyama T15BMS, Toyama F15BMSЦена 705 р. В корзину
Позиция на схеме: 33Артикул: F15-06020003
Быстрый просмотр
Сальник 20х30х6 приводного вала нижний Toyama T15BMS, Toyama F15BMSЦена 309 р. В корзину
Позиция на схеме: 35Артикул: F15-06000013
Быстрый просмотр
Шпонка приводного вала Toyama F15BMSЦена 169 р. В корзину
Позиция на схеме: 36Артикул: F15-06000007
Быстрый просмотр
Пластина крыльчатки Toyama F15BMS, Toyama T15BMSЦена 1 105 р. В корзину
Позиция на схеме: 38Артикул: F15-06050000
Быстрый просмотр
Крыльчатка помпы F15BMS T15BMS - F15-06050000Цена 555 р. В корзину
Позиция на схеме: 39Артикул: F15-06060002
Быстрый просмотр
Корпус крыльчатки Toyama F15BMS, Toyama T15BMSЦена 999 р. В корзину
Позиция на схеме: 41Артикул: F15-06060001
Быстрый просмотр
Корпус помпы Toyama T15BMS, Toyama F15BMSЦена 289 р. В корзину
Позиция на схеме: 42Артикул: F15-06060004
Быстрый просмотр
Уплотнение водяной трубки нижнее Toyama T15BMS, Toyama F15BMSЦена 39 р. В корзину
Позиция на схеме: 46Артикул: F15-06000020-1
Быстрый просмотр
Шайба нижнего подшипника скольжения приводного вала Toyama T9.9BMS, Toyama T15BMS, T18BMS, F9.9BMS, Toyama F15BMS, F20ABMSЦена 155 р. В корзину
Позиция на схеме: 47Артикул: F15-06000009
Быстрый просмотр
Шайба шестерни регулировочная T9.9BMS, T15BMS, T18BMS, F9.9BMS, F15BMS, F20ABMS ( толщина 1, 2 мм )Цена 109 р. В корзину
Позиция на схеме: 48Артикул: F15-06000011
Быстрый просмотр
Шестерня приводного вала Toyama T15BMS, Toyama F15BMSЦена 1 555 р. В корзину
Позиция на схеме: 49Артикул: F15-06000012
Быстрый просмотр
Гайка шестерни приводного вала Toyama T15BMS, Toyama F15BMSЦена 315 р. В корзину
Позиция на схеме: 50Артикул: TE15-04000018
Быстрый просмотр
Подшипник скольжения нижний приводного вала T9.9BMS, T15BMS, T18BMS, F9.9BMS, F15BMS, F20AMBSЦена 315 р. В корзину
Позиция на схеме: 99Артикул: F15-06040000S
Быстрый просмотр
Вал приводной Toyama F15BMS, Toyama T15BMSЦена 18 629 р. В корзину
Позиция на схеме: 99Артикул: F15-06030000S
Быстрый просмотр
Тяга переключения передач Toyama F15BMSЦена 619 р. В корзину
Работаем с 2009 года
например, коленвал 240
861 товар в магазине

Колл-центр

ПН-ПТ 10:00 - 18:00
СБ-ВС Выходной


время работы: ПН-ПТ 10:00 - 18:00, СБ-ВС Выходной

Меню

Каталог

Добавьте в корзину

Товар добавлен в корзину!