Замечание: Undefined index: REDIRECT_URL в файле /var/www/champion-tools.ru/public_html/hostcmsfiles/lib/lib_156/lib_156.php (строка 244)

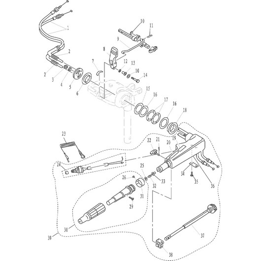
Рулевое управление Toyama F9.9FWS

Рулевое управление Toyama F9.9FWS

АртикулФотоНазваниеЦенаКупить
Позиция на схеме: 1Артикул: F15-01030004
Быстрый просмотр
Трос газа Toyama F15BMSЦена 359 р. В корзину
Позиция на схеме: 11Артикул: F15-00000012
Быстрый просмотр
Шплинт пружинныйЦена 45 р. В корзину
Позиция на схеме: 23Артикул: F4-01090401
Быстрый просмотр
Предохранительная чека для Toyama F5BMS, F9.8BMS, F15BMS, T2.6CBMS, T5BMS, T9.8BMS, T15BMSЦена 650 р.
Позиция на схеме: 24Артикул: F4-01090400
Быстрый просмотр
Выключатель аварийной остановки Toyama T5FS, Toyama F15BMS, Toyama T2.6CBMS, Toyama T5BMSЦена 595 р. В корзину
Позиция на схеме: 30Артикул: F4-01090300
Быстрый просмотр
Рукоятка управления F5BMS, F5ABMS, F6ABMS, F9.8BMS, F9.9BMS, F15BMS, F40, F60Цена 1 289 р. В корзину
Работаем с 2009 года
например, магнето 265
861 товар в магазине

Колл-центр

ПН-ПТ 10:00 - 18:00
СБ-ВС Выходной


время работы: ПН-ПТ 10:00 - 18:00, СБ-ВС Выходной

Меню

Каталог

Добавьте в корзину

Товар добавлен в корзину!