Система управления 2 Toyama F9.9FWS

Система управления 2 Toyama F9.9FWS

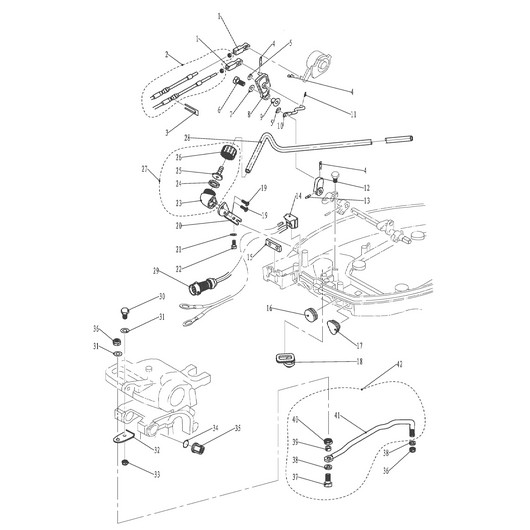
АртикулФотоНазваниеЦенаКупить
Позиция на схеме: 1Артикул: F25-07000005W
Быстрый просмотр
Соединитель A троса управления (сторона мотора) T30A,T40,T60A,T75,T85,T90,F8,F9.8BM,F9.9,F15Цена 165 р. В корзину
Позиция на схеме: 3Артикул: F25-07000003W
Быстрый просмотр
Фиксатор F40 наконечника тягиЦена 205 р. В корзину
Позиция на схеме: 4Артикул: F15-00000012
Быстрый просмотр
Шплинт пружинныйЦена 45 р. В корзину
Позиция на схеме: 11Артикул: F25-05160002
Быстрый просмотр
Шплинт крепления тяги механизма изменения угла опережения зажигания Toyama T9.9BMS, Toyama T15BMSЦена 49 р. В корзину
Позиция на схеме: 35Артикул: F25-01010012W
Быстрый просмотр
Гайка кронштейна T40,60,75,85,90,F40,60,115 пластиковаяЦена 105 р. В корзину
Позиция на схеме: 36Артикул: F25-07000006W
Быстрый просмотр
Гайка стопорная T25,30,40,60,75,85,90,F8,9.8,9.9,15BM,20,40,60,115EFIЦена 205 р. В корзину
Работаем с 2009 года
например, цилиндр 138
848 товаров в магазине

Колл-центр

ПН-ПТ 10:00 - 18:00
СБ-ВС Выходной


время работы: ПН-ПТ 10:00 - 18:00, СБ-ВС Выходной

Меню

Каталог

Добавьте в корзину

Товар добавлен в корзину!