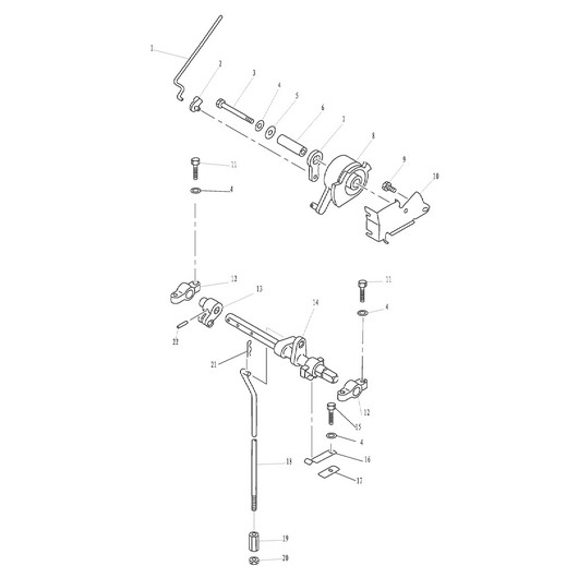
Система управления Toyama F9.9FWS

Система управления Toyama F9.9FWS

АртикулФотоНазваниеЦенаКупить
Позиция на схеме: 2Артикул: F15-07000016
Быстрый просмотр
Фиксатор тяги управления воздушной/дроссельной заслонкой Toyama T15BMS, Toyama F15BMSЦена 59 р. В корзину
Позиция на схеме: 19Артикул: F15-05000035
Быстрый просмотр
Гайка T15BMS, F15BMS соединительная тяги переключения передачЦена 135 р. В корзину
Позиция на схеме: 21Артикул: F15-00000012
Быстрый просмотр
Шплинт пружинныйЦена 45 р. В корзину
Работаем с 2009 года
например, коленвал 250
848 товаров в магазине

Колл-центр

ПН-ПТ 10:00 - 18:00
СБ-ВС Выходной


время работы: ПН-ПТ 10:00 - 18:00, СБ-ВС Выходной

Меню

Каталог

Добавьте в корзину

Товар добавлен в корзину!