Замечание: Undefined index: REDIRECT_URL в файле /var/www/champion-tools.ru/public_html/hostcmsfiles/lib/lib_156/lib_156.php (строка 244)

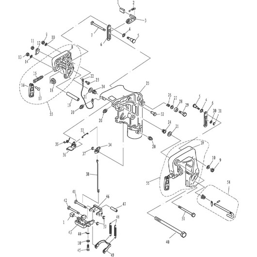
Крепление Toyama T18BMS

Крепление Toyama T18BMS

АртикулФотоНазваниеЦенаКупить
Позиция на схеме: 17Артикул: F4-01010005
Быстрый просмотр
Заклёпка рукоятки зажимного винта Toyama T5BMSЦена 45 р. В корзину
Позиция на схеме: 18Артикул: F4-01010003
Быстрый просмотр
Тарелка зажимного винта Toyama TC3.6BMS, Toyama T5BMS, Toyama F5BMSЦена 179 р. В корзину
Позиция на схеме: 54Артикул: F15-01010400
Быстрый просмотр
Шток установки угла дифферента Toyama T15BMS, T30ABMS, Toyama F15BMS, Toyama F20ABMSЦена 769 р. В корзину
Работаем с 2009 года
например, цилиндр 125T
861 товар в магазине

Колл-центр

ПН-ПТ 10:00 - 18:00
СБ-ВС Выходной


время работы: ПН-ПТ 10:00 - 18:00, СБ-ВС Выходной

Меню

Каталог

Добавьте в корзину

Товар добавлен в корзину!