Замечание: Undefined index: REDIRECT_URL в файле /var/www/champion-tools.ru/public_html/hostcmsfiles/lib/lib_156/lib_156.php (строка 244)

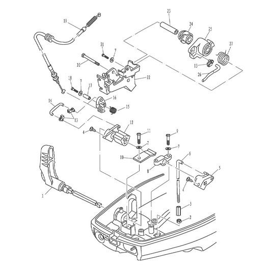
Трос газа, управление Toyama T18BMS

Трос газа, управление Toyama T18BMS

АртикулФотоНазваниеЦенаКупить
Позиция на схеме: 3Артикул: F15-05000035
Быстрый просмотр
Гайка T15BMS, F15BMS соединительная тяги переключения передачЦена 135 р. В корзину
Позиция на схеме: 13Артикул: F15-07000016
Быстрый просмотр
Фиксатор тяги управления воздушной/дроссельной заслонкой Toyama T15BMS, Toyama F15BMSЦена 59 р. В корзину
Позиция на схеме: 16Артикул: T15-04000020
Быстрый просмотр
Коромысло B T9.9BMS, T15BMS системы блокировки стартераЦена 115 р. Уведомить
Позиция на схеме: 17Артикул: T15-04000022
Быстрый просмотр
Втулка коромысла T9.9BMS, T15BMS системы блокировки стартераЦена 145 р. Уведомить
Позиция на схеме: 19Артикул: T15-04000800
Быстрый просмотр
Трос блокировки стартера Toyama T9.9BMS, Toyama T15BMS замена на T15-04000800AЦена 435 р. В корзину
Работаем с 2009 года
например, цилиндр 255
861 товар в магазине

Колл-центр

ПН-ПТ 10:00 - 18:00
СБ-ВС Выходной


время работы: ПН-ПТ 10:00 - 18:00, СБ-ВС Выходной

Меню

Каталог

Добавьте в корзину

Товар добавлен в корзину!