Замечание: Undefined index: REDIRECT_URL в файле /var/www/champion-tools.ru/public_html/hostcmsfiles/lib/lib_156/lib_156.php (строка 244)

Крыльчатка Toyama T2.6CBMS

Крыльчатка Toyama T2.6CBMS

АртикулФотоНазваниеЦенаКупить
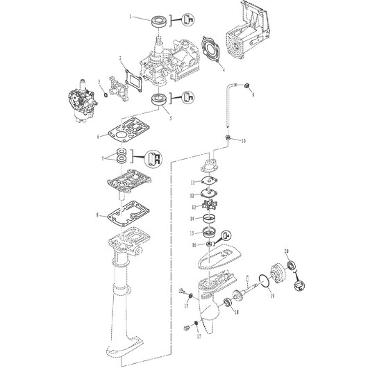
Позиция на схеме: 1Артикул: F2.6-04010001
Быстрый просмотр
Сальник 20х30х7 коленвала Toyama T2.6CBMSЦена 285 р. В корзину
Позиция на схеме: 2Артикул: T2-04000005
Быстрый просмотр
Прокладка корпуса клапана Toyama T2.6CBMSЦена 115 р. В корзину
Позиция на схеме: 4Артикул: T2-04000001
Быстрый просмотр
Прокладка головки цилиндра Toyama T2.6CBMSЦена 395 р. В корзину
Позиция на схеме: 5Артикул: T3.6-04010002
Быстрый просмотр
Сальник 20х42х8 коленвала R Toyama T2.6CBMS, Toyama TC3.6BMSЦена 349 р. В корзину
Позиция на схеме: 6Артикул: T2-00000004
Быстрый просмотр
Прокладка двигателя Toyama T2.6CBMSЦена 439 р. В корзину
Позиция на схеме: 7Артикул: F2.6-04060002
Быстрый просмотр
Сальник 9,8х20х7 приводного вала верхний Toyama T2.6CBMSЦена 179 р. В корзину
Позиция на схеме: 8Артикул: T2-00000005
Быстрый просмотр
Прокладка выпускного коллектора Toyama T2.6CBMSЦена 239 р. В корзину
Позиция на схеме: 9Артикул: T3.6-02000008
Быстрый просмотр
Уплотнение водяной трубки верхнее Toyama T3.6BMS, Toyama TC3.6BMSЦена 85 р. В корзину
Позиция на схеме: 10Артикул: T2-03000011
Быстрый просмотр
Уплотнение водяной трубки нижнее Toyama T2.6CBMSЦена 49 р. В корзину
Позиция на схеме: 11Артикул: T2-03000010
Быстрый просмотр
Прокладка помпы Toyama T2.6CBMSЦена 135 р. В корзину
Позиция на схеме: 12Артикул: T2-03000016
Быстрый просмотр
Пластина крыльчатки Toyama T2.6CBMSЦена 349 р. В корзину
Позиция на схеме: 13Артикул: T2-03000100
Быстрый просмотр
Крыльчатка помпы Toyama T2.6CBMSЦена 285 р. В корзину
Позиция на схеме: 14Артикул: T2-03000006
Быстрый просмотр
Корпус крыльчатки Toyama T2.6CBMSЦена 445 р. В корзину
Позиция на схеме: 15Артикул: T2-03000007
Быстрый просмотр
Крышка корпуса крыльчатки Toyama T2.6CBMSЦена 95 р. В корзину
Позиция на схеме: 17Артикул: F4-03000024
Быстрый просмотр
Кольцо пробки редуктора Toyama F5BMS, F9.8BMS, Toyama F15BMS, Toyama T2.6CBMS, Toyama T5BMS, Toyama T9.8BMS, Toyama T15BMSЦена 45 р. В корзину
Позиция на схеме: 18Артикул: T2-03000005
Быстрый просмотр
Подшипник 6000P5 горизонтального вала Toyama T2.6CBMSЦена 225 р. В корзину
Позиция на схеме: 20Артикул: T2-03000303
Быстрый просмотр
Сальник 11х21х8 горизонтального вала Toyama T2.6CBMSЦена 249 р. В корзину
Работаем с 2009 года
например, магнето 142
861 товар в магазине

Колл-центр

ПН-ПТ 10:00 - 18:00
СБ-ВС Выходной


время работы: ПН-ПТ 10:00 - 18:00, СБ-ВС Выходной

Меню

Каталог

Добавьте в корзину

Товар добавлен в корзину!