Замечание: Undefined index: REDIRECT_URL в файле /var/www/champion-tools.ru/public_html/hostcmsfiles/lib/lib_156/lib_156.php (строка 244)

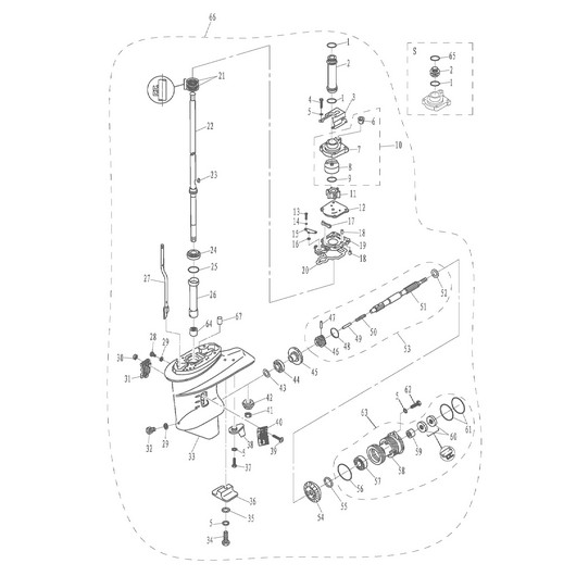
Детали редуктора Toyama T30ABMS

Детали редуктора Toyama T30ABMS

АртикулФотоНазваниеЦенаКупить
Позиция на схеме: 0Артикул: F25-04010000S
Быстрый просмотр
Вал приводной T30ABMSЦена 23 875 р. В корзину
Позиция на схеме: 7Артикул: F25-04050001
Быстрый просмотр
Корпус помпы T30ABMSЦена 389 р. В корзину
Позиция на схеме: 8Артикул: F25-04050002
Быстрый просмотр
Корпус крыльчатки T30ABMSЦена 1 505 р. В корзину
Позиция на схеме: 9Артикул: F25-04050003
Быстрый просмотр
Кольцо уплотнительное корпуса крыльчатки T30ABMSЦена 169 р. В корзину
Позиция на схеме: 10Артикул: F25-04050000
Быстрый просмотр
Корпус помпы T30ABMS (комплект)Цена 2 149 р. В корзину
Позиция на схеме: 11Артикул: F25-04040000
Быстрый просмотр
Крыльчатка помпы T30ABMS, F40Цена 555 р. В корзину
Позиция на схеме: 12Артикул: F25-04000014
Быстрый просмотр
Пластина крыльчатки T30ABMSЦена 1 109 р. Уведомить
Позиция на схеме: 16Артикул: F15-06020004
Быстрый просмотр
Кольцо уплотнительное основания помпы Toyama T15BMS, Toyama F15BMSЦена 75 р. В корзину
Позиция на схеме: 20Артикул: F25-04000009
Быстрый просмотр
Прокладка основания помпы T30ABMSЦена 275 р. В корзину
Позиция на схеме: 21Артикул: F25-04010003
Быстрый просмотр
Сальник 22х36х6 приводного вала нижний T30ABMS, F40, F60Цена 275 р. В корзину
Позиция на схеме: 23Артикул: F25-04000015
Быстрый просмотр
Шпонка приводного вала T30ABMS, F40, F60Цена 169 р. В корзину
Позиция на схеме: 28Артикул: F4-03000023
Быстрый просмотр
Пробка редуктора сливная Toyama F5BMS, F9.8BMS, Toyama F15BMS, Toyama T2.6CBMS, Toyama T5BMS, Toyama T9.8BMS, Toyama T15BMSЦена 145 р. В корзину
Позиция на схеме: 29Артикул: F4-03000024
Быстрый просмотр
Кольцо пробки редуктора Toyama F5BMS, F9.8BMS, Toyama F15BMS, Toyama T2.6CBMS, Toyama T5BMS, Toyama T9.8BMS, Toyama T15BMSЦена 45 р. В корзину
Позиция на схеме: 42Артикул: F25-04000005
Быстрый просмотр
Шестерня приводного вала T30ABMSЦена 3 209 р. В корзину
Позиция на схеме: 45Артикул: F25-04020000
Быстрый просмотр
Шестерня переднего хода T30ABMSЦена 4 715 р. В корзину
Позиция на схеме: 46Артикул: F25-04060003
Быстрый просмотр
Муфта горизонтального вала T30ABMSЦена 5 759 р. Уведомить
Позиция на схеме: 47Артикул: F15-06070004
Быстрый просмотр
Штифт муфты горизонтального вала Toyama T15BMS, Toyama F15BMSЦена 85 р. В корзину
Позиция на схеме: 48Артикул: F15-06070005
Быстрый просмотр
Кольцо муфты горизонтального вала Toyama T9.9BMS, Toyama T15BMS, Toyama T18BMS, T30ABMS, Toyama F15BMS, Toyama F20ABMS, F20EFIЦена 35 р. В корзину
Позиция на схеме: 49Артикул: F25-04060006
Быстрый просмотр
Плунжер муфты горизонтального вала T30ABMSЦена 295 р. В корзину
Позиция на схеме: 50Артикул: F25-04060002
Быстрый просмотр
Пружина горизонтального вала T30ABMSЦена 55 р. Уведомить
Позиция на схеме: 51Артикул: F25-04060001
Быстрый просмотр
Вал горизонтальный T30ABMSЦена 14 979 р. В корзину
Позиция на схеме: 52Артикул: F25-04060007
Быстрый просмотр
Шайба шестерни заднего хода T30ABMSЦена 85 р. В корзину
Позиция на схеме: 54Артикул: F25-04070004
Быстрый просмотр
Шестерня заднего хода T30ABMSЦена 4 715 р. В корзину
Позиция на схеме: 56Артикул: F25-04070002
Быстрый просмотр
Кольцо уплотнительное A крышки редуктора T30ABMSЦена 85 р. В корзину
Позиция на схеме: 57Артикул: GB/T276-6006/P6
Быстрый просмотр
Подшипник горизонтального вала T30ABMS (шариковый)Цена 559 р. В корзину
Позиция на схеме: 58Артикул: F25-04070001
Быстрый просмотр
Крышка редуктора T30ABMS пустаяЦена 2 275 р. В корзину
Позиция на схеме: 59Артикул: GB/T290-HK2016
Быстрый просмотр
Подшипник горизонтального вала T30ABMS (игольчатый)Цена 1 189 р. В корзину
Позиция на схеме: 60Артикул: F25-04070006
Быстрый просмотр
Сальник 20х34х6,5 горизонтального вала T30ABMSЦена 305 р. В корзину
Позиция на схеме: 61Артикул: F25-04070003
Быстрый просмотр
Кольцо уплотнительное B крышки редуктора T30ABMSЦена 269 р. В корзину
Позиция на схеме: 63Артикул: F25-04070000
Быстрый просмотр
Крышка редуктора в сборе T30ABMSЦена 6 795 р. В корзину
Работаем с 2009 года
например, стартер 245
861 товар в магазине

Колл-центр

ПН-ПТ 10:00 - 18:00
СБ-ВС Выходной


время работы: ПН-ПТ 10:00 - 18:00, СБ-ВС Выходной

Меню

Каталог

Добавьте в корзину

Товар добавлен в корзину!