Замечание: Undefined index: REDIRECT_URL в файле /var/www/champion-tools.ru/public_html/hostcmsfiles/lib/lib_156/lib_156.php (строка 244)

Крепление Toyama T9.8BMS

Крепление Toyama T9.8BMS

АртикулФотоНазваниеЦенаКупить
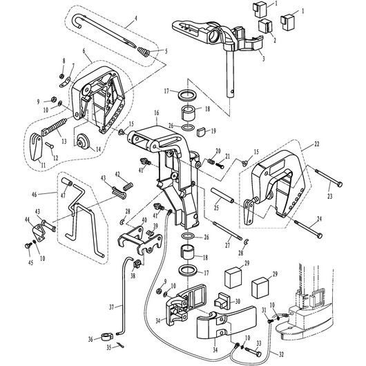
Позиция на схеме: 1Артикул: T8-00000004
Быстрый просмотр
Амортизатор T9.8BMS дейдвуда верхний заднийЦена 149 р. В корзину
Позиция на схеме: 2Артикул: T8-00000005
Быстрый просмотр
Амортизатор T9.8BMS дейдвуда верхний переднийЦена 145 р. В корзину
Позиция на схеме: 3Артикул: T8-01020000
Быстрый просмотр
Кронштейн рулевой Toyama T9.8BMS в сбореЦена 9 165 р. В корзину
Позиция на схеме: 4Артикул: F8-01010200
Быстрый просмотр
Шток установки угла дифферента Toyama T5BMS, Toyama T9.8BMS, Toyama F9.8BMSЦена 1 035 р. В корзину
Позиция на схеме: 5Артикул: F4-01050002
Быстрый просмотр
Пружина штока установки угла дифферента TC5BMS, T5BMS, T5.8BMS, T9.8BMS, F6ABMS, F9.8BMSЦена 75 р. Уведомить
Позиция на схеме: 11Артикул: F4-01010004
Быстрый просмотр
Ручка зажимного винта Toyama TC3.6BMS, Toyama T5BMS, Toyama F5BMSЦена 135 р. В корзину
Позиция на схеме: 12Артикул: F4-01010005
Быстрый просмотр
Заклёпка рукоятки зажимного винта Toyama T5BMSЦена 45 р. В корзину
Позиция на схеме: 13Артикул: F4-01010002
Быстрый просмотр
Винт зажимной Toyama T5BMSЦена 279 р. В корзину
Позиция на схеме: 14Артикул: F4-01010003
Быстрый просмотр
Тарелка зажимного винта Toyama TC3.6BMS, Toyama T5BMS, Toyama F5BMSЦена 179 р. В корзину
Позиция на схеме: 15Артикул: F4-01000003
Быстрый просмотр
Втулка F5BMS кронштейнаЦена 45 р. Уведомить
Позиция на схеме: 22Артикул: T8-01010300
Быстрый просмотр
Кронштейн правый в сборе Toyama T9.8BMSЦена 2 529 р. В корзину
Позиция на схеме: 29Артикул: T8-00000002
Быстрый просмотр
Амортизатор T9.8BMS дейдвуда нижнийЦена 179 р. В корзину
Позиция на схеме: 34Артикул: T8-00000001
Быстрый просмотр
Корпус амортизатора T9.8BMSЦена 1 025 р. В корзину
Позиция на схеме: 38Артикул: F8-01010111
Быстрый просмотр
Крепление тяги механизма блокировки T9.8BMS, F9.8BMSЦена 49 р. Уведомить
Работаем с 2009 года
например, коленвал 138
861 товар в магазине

Колл-центр

ПН-ПТ 10:00 - 18:00
СБ-ВС Выходной


время работы: ПН-ПТ 10:00 - 18:00, СБ-ВС Выходной

Меню

Каталог

Добавьте в корзину

Товар добавлен в корзину!