Замечание: Undefined index: REDIRECT_URL в файле /var/www/champion-tools.ru/public_html/hostcmsfiles/lib/lib_156/lib_156.php (строка 244)

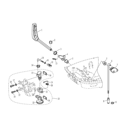
Система контроля Toyama T9.8BMS

Система контроля Toyama T9.8BMS

АртикулФотоНазваниеЦенаКупить
Позиция на схеме: 4Артикул: T8-03010003
Быстрый просмотр
Рычаг блокировки стартераT9.8BMSЦена 189 р. В корзину
Позиция на схеме: 8Артикул: T8-03000010
Быстрый просмотр
Гайка T9.8BMS соединительная тяги переключения передачЦена 205 р. В корзину
Позиция на схеме: 12Артикул: T15-04040005
Быстрый просмотр
Наконечник тяги механизма изменения угла опережения зажигания Toyama T9.9BMS, Toyama T15BMSЦена 115 р. Уведомить
Позиция на схеме: 13Артикул: F25-05160002
Быстрый просмотр
Шплинт крепления тяги механизма изменения угла опережения зажигания Toyama T9.9BMS, Toyama T15BMSЦена 49 р. В корзину
Позиция на схеме: 14Артикул: F8-01010111
Быстрый просмотр
Крепление тяги механизма блокировки T9.8BMS, F9.8BMSЦена 49 р. Уведомить
Позиция на схеме: 20Артикул: T8-05000022
Быстрый просмотр
Фиксатор тяги T9.8BMSЦена 55 р. Уведомить
Позиция на схеме: 22Артикул: T8-05000602
Быстрый просмотр
Шкив привода газа T9.8BMSЦена 295 р. Уведомить
Работаем с 2009 года
например, фильтр 120T
861 товар в магазине

Колл-центр

ПН-ПТ 10:00 - 18:00
СБ-ВС Выходной


время работы: ПН-ПТ 10:00 - 18:00, СБ-ВС Выходной

Меню

Каталог

Добавьте в корзину

Товар добавлен в корзину!