Замечание: Undefined index: REDIRECT_URL в файле /var/www/champion-tools.ru/public_html/hostcmsfiles/lib/lib_156/lib_156.php (строка 244)

Редуктор 2 Toyama T9.9BMS

Редуктор 2 Toyama T9.9BMS

АртикулФотоНазваниеЦенаКупить
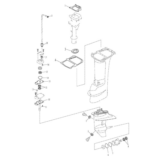
Позиция на схеме: 1Артикул: T15-04000026
Быстрый просмотр
Прокладка выхлопной трубы Toyama T15BMSЦена 285 р. В корзину
Позиция на схеме: 3Артикул: T15-04000028
Быстрый просмотр
Демпфер T9.9BMS, T15BMS выхлопной трубыЦена 85 р. Уведомить
Позиция на схеме: 4Артикул: T15-00000004
Быстрый просмотр
Прокладка двигателя Toyama T9.9BMS, Toyama T15BMSЦена 309 р. В корзину
Позиция на схеме: 5Артикул: F4-03000024
Быстрый просмотр
Кольцо пробки редуктора Toyama F5BMS, F9.8BMS, Toyama F15BMS, Toyama T2.6CBMS, Toyama T5BMS, Toyama T9.8BMS, Toyama T15BMSЦена 45 р. В корзину
Позиция на схеме: 6Артикул: F15-06080002
Быстрый просмотр
Кольцо A уплотнительное крышки редуктора Toyama T15BMS, Toyama T18BMS, Toyama F15BMS, Toyama F20ABMS/ корпуса сальников T30ABMSЦена 79 р. В корзину
Позиция на схеме: 7Артикул: F15-06080003
Быстрый просмотр
Кольцо B уплотнительное крышки редуктора Toyama T15BMS, Toyama F15BMSЦена 89 р. В корзину
Позиция на схеме: 8Артикул: F15-06080004
Быстрый просмотр
Сальник 17х30х6 горизонтального вала Toyama T15BMS, Toyama F15BMSЦена 275 р. В корзину
Позиция на схеме: 9Артикул: F15-06000013
Быстрый просмотр
Шпонка приводного вала Toyama F15BMSЦена 169 р. В корзину
Позиция на схеме: 10Артикул: F15-06000005
Быстрый просмотр
Прокладка корпуса редуктора Toyama T15BMS, Toyama F15BMSЦена 199 р. В корзину
Позиция на схеме: 11Артикул: F15-06020004
Быстрый просмотр
Кольцо уплотнительное основания помпы Toyama T15BMS, Toyama F15BMSЦена 75 р. В корзину
Позиция на схеме: 12Артикул: F15-06020003
Быстрый просмотр
Сальник 20х30х6 приводного вала нижний Toyama T15BMS, Toyama F15BMSЦена 309 р. В корзину
Позиция на схеме: 13Артикул: F15-06000007
Быстрый просмотр
Пластина крыльчатки Toyama F15BMS, Toyama T15BMSЦена 1 105 р. В корзину
Позиция на схеме: 15Артикул: F15-06050000
Быстрый просмотр
Крыльчатка помпы F15BMS T15BMS - F15-06050000Цена 555 р. В корзину
Позиция на схеме: 16Артикул: F15-06060002
Быстрый просмотр
Корпус крыльчатки Toyama F15BMS, Toyama T15BMSЦена 999 р. В корзину
Позиция на схеме: 17Артикул: F15-06060004
Быстрый просмотр
Уплотнение водяной трубки нижнее Toyama T15BMS, Toyama F15BMSЦена 39 р. В корзину
Работаем с 2009 года
например, стартер 120T
861 товар в магазине

Колл-центр

ПН-ПТ 10:00 - 18:00
СБ-ВС Выходной


время работы: ПН-ПТ 10:00 - 18:00, СБ-ВС Выходной

Меню

Каталог

Добавьте в корзину

Товар добавлен в корзину!