Замечание: Undefined index: REDIRECT_URL в файле /var/www/champion-tools.ru/public_html/hostcmsfiles/lib/lib_156/lib_156.php (строка 244)

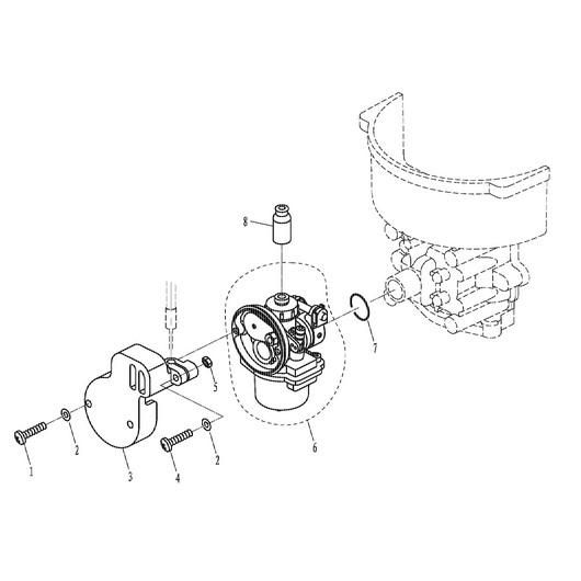
Карбюратор Toyama TC3.6BMS

Карбюратор Toyama TC3.6BMS

АртикулФотоНазваниеЦенаКупить
Позиция на схеме: 3Артикул: T3.6-04000008
Быстрый просмотр
Воздухозаборник Toyama T2.6CBMS, Toyama T3.6BMS, Toyama TC3.6BMSЦена 332 р. Уведомить
Позиция на схеме: 6Артикул: T3.6-04000500
Быстрый просмотр
Карбюратор Toyama TC3.6BMSЦена 2 405 р. В корзину
Позиция на схеме: 7Артикул: T3.6-04000501
Быстрый просмотр
Кольцо уплотнительное карбюратора Toyama T3.6BMS, Toyama TC3.6BMSЦена 55 р. В корзину
Работаем с 2009 года
например, коленвал 55
861 товар в магазине

Колл-центр

ПН-ПТ 10:00 - 18:00
СБ-ВС Выходной


время работы: ПН-ПТ 10:00 - 18:00, СБ-ВС Выходной

Меню

Каталог

Добавьте в корзину

Товар добавлен в корзину!