Замечание: Undefined index: REDIRECT_URL в файле /var/www/champion-tools.ru/public_html/hostcmsfiles/lib/lib_156/lib_156.php (строка 244)

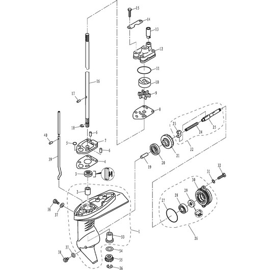
Нижняя часть и привод Toyama TC3.6BMS

Нижняя часть и привод Toyama TC3.6BMS

АртикулФотоНазваниеЦенаКупить
Позиция на схеме: 2Артикул: F2.6-03000003
Быстрый просмотр
Подшипник скольжения верхний приводного вала Toyama TC3.6BMSЦена 349 р. В корзину
Позиция на схеме: 3Артикул: F2.6-03000004
Быстрый просмотр
Сальник 9,8х24х9 приводного вала нижний Toyama TC3.6BMS - F2.6-03000004Цена 205 р. В корзину
Позиция на схеме: 4Артикул: F2.6-03000007
Быстрый просмотр
Прокладка помпы Toyama TC3.6BMSЦена 159 р. В корзину
Позиция на схеме: 5Артикул: F2.6-03000009
Быстрый просмотр
Кольцо уплотнительное основания помпы Toyama TC3.6BMS - F2.6-03000009Цена 45 р. В корзину
Позиция на схеме: 6Артикул: F4-03000013
Быстрый просмотр
Штифт помпы Toyama F5BMSЦена 65 р. В корзину
Позиция на схеме: 8Артикул: F2.6-03000010
Быстрый просмотр
Пластина крыльчатки Toyama TC3.6BMSЦена 489 р. В корзину
Позиция на схеме: 9Артикул: F2.6-03000100
Быстрый просмотр
Крыльчатка помпы Toyama TC3.6BMSЦена 269 р. В корзину
Позиция на схеме: 10Артикул: F2.6-03000015
Быстрый просмотр
Корпус крыльчатки Toyama TC3.6BMSЦена 539 р. В корзину
Позиция на схеме: 12Артикул: F2.6-03000014
Быстрый просмотр
Корпус помпы Toyama TC3.6BMSЦена 325 р. В корзину
Позиция на схеме: 13Артикул: F4-03000021
Быстрый просмотр
Уплотнение водяной трубки нижнее Toyama TC3.6BMS, Toyama F5BMSЦена 79 р. В корзину
Позиция на схеме: 17Артикул: F2.6-03000013
Быстрый просмотр
Шпонка помпы 3.5х7 Toyama T2.6CBMSЦена 55 р. В корзину
Позиция на схеме: 20Артикул: GB/T276-16003/P63
Быстрый просмотр
Подшипник 6003 горизонтального вала Toyama TC3.6BMS - GB/T276-16003/P63Цена 245 р. В корзину
Позиция на схеме: 21Артикул: F2.6-03000019
Быстрый просмотр
Шестерня горизонтального вала Toyama TC3.6BMSЦена 2 995 р. В корзину
Позиция на схеме: 23Артикул: F2.6-03000202
Быстрый просмотр
Муфта горизонтального вала Toyama TC3.6BMSЦена 329 р. Уведомить
Позиция на схеме: 24Артикул: F4-03030003
Быстрый просмотр
Пружина горизонтального вала Toyama F5BMSЦена 19 р. В корзину
Позиция на схеме: 25Артикул: TC3.6-030000201
Быстрый просмотр
Вал горизонтальный Toyama TC3.6BMSЦена 2 115 р. Уведомить
Позиция на схеме: 26Артикул: TC3.6-03000300
Быстрый просмотр
Крышка редуктора в сборе TC3.6BMSЦена 1 559 р. В корзину
Позиция на схеме: 28Артикул: GB/T276-6001C2
Быстрый просмотр
Подшипник 6001C2 горизонтального вала Toyama TC3.6BMSЦена 235 р. В корзину
Позиция на схеме: 29Артикул: F8-04000101
Быстрый просмотр
Сальник 12,1х24х8 Toyama T9.8BMS, F9.8BMS - F8-04000101Цена 285 р. В корзину
Позиция на схеме: 30Артикул: TC3.6-03000301
Быстрый просмотр
Крышка редуктора TC3.6BMS пустаяЦена 1 349 р. В корзину
Позиция на схеме: 33Артикул: F2.6-03000002
Быстрый просмотр
Подшипник скольжения нижний приводного вала Toyama TC3.6BMSЦена 655 р. В корзину
Позиция на схеме: 35Артикул: F2.6-03000018
Быстрый просмотр
Шестерня приводного вала Toyama TC3.6BMSЦена 1 735 р. В корзину
Позиция на схеме: 36Артикул: GB/T896-6
Быстрый просмотр
Кольцо стопорное наконечника троса управления F20FW, T15FW, T30FWЦена 25 р. Уведомить
Позиция на схеме: 37Артикул: F4-03000024
Быстрый просмотр
Кольцо пробки редуктора Toyama F5BMS, F9.8BMS, Toyama F15BMS, Toyama T2.6CBMS, Toyama T5BMS, Toyama T9.8BMS, Toyama T15BMSЦена 45 р. В корзину
Позиция на схеме: 38Артикул: F4-03000023
Быстрый просмотр
Пробка редуктора сливная Toyama F5BMS, F9.8BMS, Toyama F15BMS, Toyama T2.6CBMS, Toyama T5BMS, Toyama T9.8BMS, Toyama T15BMSЦена 145 р. В корзину
Позиция на схеме: 99Артикул: TC3.6-03000001S
Быстрый просмотр
Вал приводной Toyama TC3.6BMSЦена 3 625 р. В корзину
Работаем с 2009 года
например, цилиндр 142
861 товар в магазине

Колл-центр

ПН-ПТ 10:00 - 18:00
СБ-ВС Выходной


время работы: ПН-ПТ 10:00 - 18:00, СБ-ВС Выходной

Меню

Каталог

Добавьте в корзину

Товар добавлен в корзину!